QR कोड
हाम्रो बारेमा
उत्पादनहरू
हामीलाई सम्पर्क गर्नुहोस


फ्याक्स
+86-574-87168065

इ-मेल

ठेगाना
Luotuo औद्योगिक क्षेत्र, Zhenhai जिल्ला, Ningbo शहर, चीन
Raydafon को SWC-DH सर्ट फ्लेक्स वेल्डिङ प्रकार युनिभर्सल कपलिङ हेभी-ड्युटी गियरमा मिसाइलाइन गरिएको शाफ्टहरू जोड्नको लागि बनाइएको छ - रोलिङ मिलहरू, होइस्टहरू र स्टिल प्रशोधन गर्ने मेसिनहरू। यो एक कम्प्याक्ट छोटो फ्लेक्स युनिभर्सल युग्मन हो, 45mm देखि 390mm सम्मको gyration व्यासको साथ। शाफ्टहरू 25 डिग्री (कोणीय मिसालाइनमेन्ट) सम्म बन्द हुँदा पनि, यसले अझै पनि टर्कलाई कुशलतापूर्वक चलाउँछ — अधिकतम 1000 kN·m मा पुग्छ, जुन भारी उपकरणको पावर आवश्यकताहरूसँग मिल्छ।
हामी यसलाई उच्च-शक्तिको 35CrMo स्टिलको साथ बनाउँछौं र चारवटा सुई बियरिङहरू थप्छौं, त्यसैले यसले भारी भारमा समात्छ। त्यसकारण यो औद्योगिक मेसिनरी युनिभर्सल कपलिंगहरूका लागि ठोस छनौट हो, र भारी उपकरणहरू वेल्डेड विश्वव्यापी कपलिंगहरूको रूपमा उत्कृष्ट काम गर्दछ जहाँ लोडहरू उच्च ननस्टप रहन्छन्। यसको छोटो-फ्लेक्स डिजाइन अक्षीय आन्दोलनको लागि थोरै ठाउँ भएका मेसिनहरूका लागि उपयुक्त छ, साथै कडा औद्योगिक ठाउँहरूको लागि कडा ट्रान्समिशन फिक्स दिन्छ।
Raydafon ISO 9001 प्रमाणीकरण भएको चीन-आधारित निर्माता हो, त्यसैले हामी प्रत्येक SWC-DH विश्वव्यापी युगलको लागि कडा गुणस्तर नियमहरूमा अडिग छौँ। क्रस शाफ्टले क्षरणसँग लड्न क्रोम प्लेट पाउँछ, त्यसैले परिस्थिति कठोर हुँदा पनि यो रहन्छ। वेल्डेड जुवाले स्थापनालाई पनि सजिलो बनाउँछ — शाफ्टलाई दायाँतिर लाइन गर्नुहोस्, र यसले उत्कृष्ट रूपमा काम गर्छ। तपाईंले यसलाई धातु विज्ञान, खनन, र क्रेन प्रणालीहरूमा गियरमा फेला पार्नुहुनेछ, कुनै समस्या छैन।
साथै, यो युग्मन विभिन्न आकार र टोक़ मूल्याङ्कनमा आउँछ। यदि तपाईलाई औद्योगिक मेसिनरीका लागि कस्टम युनिभर्सल युग्मन चाहिन्छ - भन्नुहोस्, फसल काट्ने वा अन्य विशिष्ट गियरको लागि - हामी यसलाई तपाइँको आवश्यकता अनुसार बनाउन सक्छौं, र मूल्य प्रतिस्पर्धी रहन्छ। हामीसँग यो छोटो फ्लेक्स युग्मनलाई उपकरण डाउनटाइममा कटौती गर्ने निर्माणको जानकारी छ, त्यसैले तपाईंका मेसिनहरू समग्रमा अधिक भरपर्दो रूपमा चल्छन्।
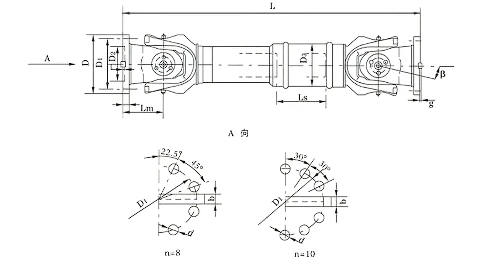
| छैन। | Gyration व्यास D mm | नाममात्र टोक़ Tn KN·m | अक्ष तह कोण β (°) | थकित टोक़ Tf KN·m | फ्लेक्स मात्रा Ls मिमी | साइज (मिमी) | घुमाउने जडता kg.m2 | वजन (किग्रा) | |||||||||||
| Lmin | D1 (js11) | D2 (H7) | D3 | Lm | n-d | k | t | b (h9) | g | Lmin | बढाउनुहोस् 100mm | Lmin | बढाउनुहोस् 100mm | ||||||
| SWC180DH1 | 180 | 20 | 10 | ≤२५ | 75 | 650 | 155 | 105 | 114 | 110 | ८-१७ | 17 | 5 | - | - | 0.165 | 0.0070 | 58 | 2.8 |
| SWC180DH2 | 55 | 600 | 0.162 | 56 | |||||||||||||||
| SWC180DH3 | 40 | 550 | 0.160 | 52 | |||||||||||||||
| SWC225DH1 | 225 | 40 | 20 | ≤१५ | 85 | 710 | 196 | 135 | 152 | 120 | 20 | 5 | 32 | 9.0 | 0.415 | 0.0234 | 95 | 4.9 | |
| SWC225DH2 | 70 | 640 | 0.397 | 92 | |||||||||||||||
| SWC250DH1 | 250 | 63 | 31.5 | ≤१५ | 100 | 795 | 218 | 150 | 168 | 140 | ८-१९ | 25 | 6 | 40 | 12.5 | 0.900 | 0.0277 | 148 | 5.3 |
| SWC250DH2 | 70 | 735 | 0.885 | 136 | |||||||||||||||
| SWC285DH1 | 285 | 90 | 45 | ≤१५ | 120 | 950 | 245 | 170 | 194 | 160 | ८-२१ | 27 | 7 | 40 | 15.0 | 1.876 | 0.0510 | 229 | 6.3 |
| SWC285DH2 | 80 | 880 | 1.801 | 221 | |||||||||||||||
| SWC315DH1 | 315 | 125 | 63 | ≤१५ | 130 | 1070 | 280 | 185 | 219 | 180 | १०-२३ | 32 | 8 | 40 | 15.0 | 3.331 | 0.0795 | 346 | 8.0 |
| SWC315DH2 | 90 | 980 | 3.163 | 334 | |||||||||||||||
| SWC350DH1 | 350 | 180 | 90 | ≤१५ | 140 | 1170 | 310 | 210 | 267 | 194 | १०-२३ | 35 | 8 | 50 | 16.0 | 6.215 | ०..२२१९ | 508 | 15.0 |
| SWC350DH2 | 90 | 1070 | 5.824 | 485 | |||||||||||||||
| SWC390DH1 | 390 | 250 | 125 | ≤१५ | 150 | 1300 | 345 | 235 | 267 | 215 | १०-२५ | 40 | 8 | 70 | 18.0 | 11.125 | 0.2219 | 655 | |
| SWC390DH2 | 90 | 1200 | 10.763 | 600 | |||||||||||||||
* १. Tf-अल्टरनेसन अन्तर्गत टर्क लोड हुन्छ जसले थकानको शक्ति अनुसार अनुमति दिन्छ। * 2. Lmin - काट पछि सबैभन्दा कम लम्बाइ। * 3. L-स्थापना लम्बाइ, जो आवश्यकता अनुसार छ
SWC विश्वव्यापी संयुक्त युग्मन, प्राय: SWC कार्डन शाफ्ट युनिभर्सल संयुक्त युग्मन भनिन्छ, भारी शुल्क औद्योगिक परिदृश्यहरूमा एक प्रमुख घटक हो। यो रोलिङ मिलहरू, फहराउने मेसिनरी, र विभिन्न ठूला-ठूला भारी मेसिनरी प्रणालीहरूको लागि अपरिहार्य छ। उच्च-टोर्क सार्वभौमिक संयुक्त युग्मनको रूपमा, यसले प्रभावकारी रूपमा दुई ट्रान्समिशन शाफ्टहरूलाई गैर-संयोगी अक्षहरूसँग जडान गर्न सक्छ, जटिल र कठोर कार्य परिस्थितिहरूमा पनि निर्बाध विद्युत प्रसारण सुनिश्चित गर्दै।
यस युग्मनको मूल प्राविधिक मापदण्डहरू निम्नानुसार छन्:
जिरेसन व्यास: φ58 - φ620
नाममात्र टर्क: ०.१५ - १००० kN·m
अक्ष तह कोण: ≤25°
व्यावहारिक अनुप्रयोगहरूमा, यसले असाधारण रूपमा राम्रो प्रदर्शन गर्दछ। उदाहरणका लागि, रोलिङ मिल सञ्चालनको क्रममा, जब रोलिङ मिलहरूमा समर्पित भरपर्दो भारी शुल्क विश्वव्यापी संयुक्त युग्मन आवश्यक हुन्छ, वा लिफ्टिङ र सामग्री ह्यान्डलिङ उपकरणहरूमा, जब टिकाऊ SWC विश्वव्यापी संयुक्त शाफ्ट युग्मन आवश्यक हुन्छ, यो उत्पादन पूर्ण रूपमा सक्षम छ। भारी भार अन्तर्गत पनि, यसले स्थिर रूपमा उपकरणको परिचालन स्थिरता कायम राख्न सक्छ।
SWC सार्वभौमिक संयुक्त युग्मन उन्नत ईन्जिनियरिङ् सिद्धान्तहरू प्रयोग गरी डिजाइन गरिएको हो, औद्योगिक वातावरणमा असाधारण प्रदर्शन र लामो सेवा जीवन प्रदान गर्दै। यसको मुख्य संरचनात्मक विशेषताहरू निम्नानुसार छन्:
व्यावहारिक र सुरक्षित संरचना: एक एकीकृत फोर्क हेड डिजाइनको विशेषता रहेको, यो औद्योगिक सार्वभौमिक संयुक्त युग्मनले बोल्ट ढिलो हुने वा टुट्ने जोखिमलाई कम गर्छ, संरचनात्मक शक्तिलाई 30% -50% ले बढाउँछ। यस डिजाइनले सुरक्षित र भरपर्दो सञ्चालन सुनिश्चित गर्दछ, परम्परागत मोडेलहरूको तुलनामा सेवा जीवन विस्तार गर्दछ, र भारी मेसिनरी विश्वव्यापी संयुक्त युग्म प्रणाली जस्ता उच्च-दबाव परिदृश्यहरूमा सामान्य विफलताहरूलाई रोक्छ।
परिष्कृत लोड-बियरिङ क्षमता: SWC हेवी-ड्युटी युनिभर्सल संयुक्त युग्मन विशेष गरी भारी भार वहन गर्न डिजाइन गरिएको छ, यसलाई उत्कृष्ट भार व्यवस्थापन जस्तै खनन वा निर्माण मेसिनरी आवश्यक पर्ने परिदृश्यहरूमा आवश्यक बनाउँछ।
उच्च प्रसारण दक्षता: 98.6% सम्मको दक्षताको साथ, उच्च-शक्ति प्रसारणको लागि यो कुशल विश्वव्यापी संयुक्त युग्मनले ऊर्जा खपत र सम्बन्धित लागतहरूलाई उल्लेखनीय रूपमा घटाउँछ, जसले यसलाई उच्च-शक्ति औद्योगिक प्रसारण प्रणालीहरूमा ऊर्जा बचत गर्ने विश्वव्यापी संयुक्त युग्मन समाधानहरूको लागि पहिलो विकल्प बनाउँछ।
कम शोरको साथ स्थिर सञ्चालन: यो कम-आवाजको विश्वव्यापी संयुक्त युग्मनले सामान्यतया 30-40 dB(A) को बीचमा शोर स्तरको साथ स्थिर रूपमा सञ्चालन गर्दछ, शान्त प्रदर्शन सुनिश्चित गर्दछ। उच्च विश्वसनीयता कायम गर्दा यो आवाज-संवेदनशील वातावरणको लागि आदर्श हो।
विश्वव्यापी संयुक्त युग्मनहरू, विशेष गरी SWC कार्डन शाफ्ट विश्वव्यापी संयुक्त युग्मन, तिनीहरूको उत्कृष्ट फाइदाहरूको कारणले औद्योगिक अनुप्रयोगहरूमा अपरिहार्य प्रसारण कम्पोनेन्टहरू भएका छन्। तिनीहरूले भारी मेसिनरी, सटीक निर्माण, र ऊर्जा प्रसारण जस्ता क्षेत्रहरूमा आफ्नो प्रदर्शनको साथ मुख्य आवश्यकताहरू पूरा गर्न सक्छन्। तल तिनीहरूको मुख्य फाइदाहरूको विस्तृत विश्लेषण हो:
1. बलियो टोक़ प्रसारण र उत्कृष्ट मिसालिन्मेन्ट क्षतिपूर्ति
उच्च-टोर्क विश्वव्यापी संयुक्त युग्मनको रूपमा, यसले स्थिर रूपमा उच्च-शक्ति लोडहरू प्रसारण गर्न सक्छ। रोलिङ मिल सञ्चालनका क्रममा बारम्बार शाफ्ट मिसाइलाइनमेन्ट हुने अवस्थाहरूमा पनि-जस्तै स्टिल रोलिङको क्रममा रोलर पहिरन र तापमान परिवर्तनको कारणले हुने अक्षीय अफसेट—रोलिङ मिल सञ्चालनका लागि यो भरपर्दो हेभी-ड्युटी विश्वव्यापी संयुक्त युग्मनले यसलाई सजिलैसँग ह्यान्डल गर्न सक्छ। यसले 25 डिग्री सम्मको अधिकतम कोणीय मिसाइलाइनमेन्टको साथ, कोणीय, अक्षीय, र रेडियल मिसालाइनमेन्टको लागि एकै साथ क्षतिपूर्ति गर्न सक्छ। यो उत्कृष्ट मिसालाइनमेन्ट अनुकूलनताले शाफ्ट मिसाइलाइनमेन्टको कारणले हुने ट्रान्समिशन जामलाई रोक्छ, निरन्तर र स्थिर पावर डेलिभरी सुनिश्चित गर्दछ, चरम कार्य अवस्थाहरूमा मेकानिकल विफलताको सम्भावनालाई उल्लेखनीय रूपमा कम गर्दछ, र उत्पादन लाइनहरूको निरन्तर सञ्चालनको ग्यारेन्टी गर्दछ।
2. उच्च स्थायित्व र लामो सेवा जीवन
SWC सार्वभौमिक संयुक्त युग्मनहरूको डिजाइन र सामग्री चयन "भारी भारको प्रतिरोध र कठोर वातावरणको सामना" मा केन्द्रित छ। मुख्य शरीर उच्च-शक्ति मिश्र धातु इस्पातबाट बनेको छ, एकीकृत फोर्क हेड संरचनासँग जोडिएको छ, जसले मौलिक रूपमा सामान्य विफलता बिन्दुहरू जस्तै बोल्ट लूजिङ र कम्पोनेन्ट ब्रेकेजलाई कम गर्छ। उदाहरणको रूपमा लिफ्टिङ र सामग्री ह्यान्डलिंग उपकरणहरूमा प्रयोग हुने टिकाऊ SWC सार्वभौमिक संयुक्त शाफ्ट युग्मन लिँदै, यसले भारी वस्तुहरू उठाउँदा तत्काल प्रभाव भारको सामना गर्न सक्छ र धुलो र उच्च तापमान जस्ता कठोर वातावरणमा स्थिर प्रदर्शन कायम राख्न सक्छ। परम्परागत स्प्लिट-स्ट्रक्चर कपलिङको तुलनामा, यो औद्योगिक सार्वभौमिक संयुक्त युग्मनको समग्र शक्ति ३०% -५०% ले बढेको छ, जसले दैनिक मर्मतसम्भारको आवृत्तिलाई मात्र कम गर्दैन तर सेवा जीवनलाई २-३ वर्षसम्म विस्तार गर्छ। यो भारी मेसिनरी सार्वभौमिक संयुक्त युग्मन प्रणाली को लामो-समय उच्च लोड सञ्चालन आवश्यकता लागि विशेष गरी उपयुक्त छ।
3. उच्च प्रसारण दक्षता र महत्त्वपूर्ण ऊर्जा बचत प्रभाव
परीक्षणहरूले देखाएको छ कि SWC भारी शुल्क विश्वव्यापी संयुक्त युग्मनको प्रसारण दक्षता 98.6% को रूपमा उच्च छ, जसको उच्च-शक्ति औद्योगिक प्रसारण परिदृश्यहरूमा स्पष्ट फाइदाहरू छन् - जस्तै स्टील प्लान्टहरूमा ब्लास्ट फर्नेस फ्यानहरू र पावर प्लान्टहरूमा कोइला ढुवानी प्रणाली। निरन्तर उच्च-शक्ति प्रसारण आवश्यक पर्ने उपकरणहरूको लागि, ठूला पावर ट्रान्समिशनको लागि यो कुशल विश्वव्यापी संयुक्त युग्मनसँग मिल्नाले बिजुलीको हानि कम गर्न सक्छ। ऊर्जा-बचत विश्वव्यापी संयुक्त युग्मन समाधानहरू पछ्याउने उद्यमहरूका लागि, यो उच्च दक्षता सीधै लागत लाभहरूमा रूपान्तरण गर्न सकिन्छ: उदाहरणको रूपमा 1500kW औद्योगिक मोटर लिँदा, यसले प्रति वर्ष 12,000 युआन भन्दा बढी बिजुली लागत बचत गर्न सक्छ, र उद्यमहरूलाई पर्याप्त परिचालन लागत घटाउन मद्दत गर्न सक्छ र ऊर्जाको दीर्घकालीन उपयोगमा कम्पोजिङको साथ। औद्योगिक क्षेत्रमा प्रवृत्ति।
4. स्थिर र शान्त सञ्चालन, बहु परिदृश्यहरूको लागि उपयुक्त
बेयरिङ फिट शुद्धतालाई अप्टिमाइज गरेर र कम घर्षण गुणांकको साथ स्नेहन ग्रीस प्रयोग गरेर, यो कम-शोर सार्वभौमिक संयुक्त युग्मनको सञ्चालन आवाज कडा रूपमा 30-40 dB(A) मा नियन्त्रण गरिन्छ, जुन दैनिक कार्यालयको परिवेश शोर स्तर बराबर हुन्छ र औद्योगिक साइटको कुनै पनि मानकसँग पूर्ण रूपमा पालना गर्दैन। शोर-संवेदनशील परिदृश्यहरूमा - जस्तै खाद्य प्रशोधन प्लान्टहरूमा उत्पादन लाइनहरू र सटीक इलेक्ट्रोनिक कम्पोनेन्टहरूका लागि उपकरणहरू - यसले प्रसारण प्रणालीको स्थिरता र विश्वसनीयता सुनिश्चित गर्न मात्र सक्दैन तर शोरको कारण कार्यशाला वातावरण वा कर्मचारीहरूको सञ्चालन अनुभवलाई असर गर्नबाट जोगिन सक्छ। एकै समयमा, स्थिर प्रसारण विशेषताहरूले उपकरण कम्पनले गर्दा वरपरका कम्पोनेन्टहरूको पहिरनलाई पनि कम गर्न सक्छ, थप सञ्चालन स्थिरता र सम्पूर्ण उत्पादन प्रणालीको सेवा जीवन सुधार गर्न सक्छ।
SWC-DH छोटो फ्लेक्स वेल्डिंग प्रकार युनिभर्सल युग्मन, प्राय: SWC कार्डन शाफ्ट युनिभर्सल संयुक्त युग्मन भनेर चिनिन्छ, मुख्य रूपमा भारी मेसिनरी परिदृश्यहरू जस्तै रोलिंग मिल र होइस्टहरूमा प्रयोग गरिन्छ। यस प्रकारका उपकरणहरूमा संरचनात्मक कम्प्याक्टनेस र लचिलोपनको लागि अत्यन्त उच्च आवश्यकताहरू छन् - यी दुई बिन्दुहरू पूरा गरेर मात्र प्रभावकारी सञ्चालन हासिल गर्न सकिन्छ, र यो युग्मनले त्यस्ता आवश्यकताहरूलाई पूर्ण रूपमा पूरा गर्दछ। उच्च-टोर्क सार्वभौमिक संयुक्त युग्मनको रूपमा, यसले प्रभावकारी रूपमा दुई प्रसारण शाफ्टहरूलाई गैर-संयोगी अक्षहरूसँग जडान गर्न सक्छ, कठोर औद्योगिक वातावरणमा पनि निर्बाध पावर ट्रान्समिशन सुनिश्चित गर्दै शाफ्ट प्रणाली मिसाइलमेन्टको लागि सटीक क्षतिपूर्ति चाहिन्छ।
व्यावहारिक अनुप्रयोगहरूमा, रोलिङ मिल कामको क्रममा रोलिङ मिल सञ्चालनका लागि भरपर्दो भारी शुल्क सार्वभौमिक संयुक्त युग्मन आवश्यक छ, वा लिफ्टिङ र सामग्री ह्यान्डलिङ उपकरणहरूमा टिकाऊ SWC विश्वव्यापी संयुक्त शाफ्ट युग्मन आवश्यक छ, यो उत्पादनले उत्कृष्ट प्रदर्शन गर्न सक्छ - यसले चरम भारहरूमा पनि स्थिर उपकरण सञ्चालन कायम राख्न सक्छ। यसको अनुकूलनता लाभ विशेष गरी कम्प्याक्ट उपकरण लेआउटहरूमा प्रख्यात छ जहाँ ठाउँ सीमित छ र छोटो लचिलो संरचना डिजाइन आवश्यक छ।
यो SWC-DH औद्योगिक सार्वभौमिक संयुक्त युग्मन उन्नत ईन्जिनियरिङ् प्रविधि संग निर्मित छ र विशेष गरी औद्योगिक परिदृश्यहरु को लागी प्रदर्शन र सेवा जीवन को लागी अनुकूलित छ। यसको मुख्य संरचनात्मक विशेषता यसको व्यावहारिक र सुरक्षित डिजाइनमा निहित छ: एकीकृत फोर्क हेड संरचनाले मौलिक रूपमा बोल्ट ढिलो हुने वा टुट्ने लुकेका खतराहरूलाई हटाउँछ, समग्र शक्तिलाई 30%-50% ले बढाउँछ। यो डिजाइनले सञ्चालनको सुरक्षा र विश्वसनीयता मात्र सुनिश्चित गर्दैन तर पारम्परिक मोडेलहरूको तुलनामा सेवा जीवन पनि विस्तार गर्दछ, जबकि भारी मेसिनरी विश्वव्यापी संयुक्त युग्मन प्रणालीहरू जस्ता उच्च-तनाव अनुप्रयोग परिदृश्यहरूमा सामान्य विफलता समस्याहरूलाई बेवास्ता गर्दछ।
थप रूपमा, यसको भार वहन गर्ने क्षमतालाई बढी तौलहरू सामना गर्न डिजाइनको माध्यमबाट बढाइएको छ, त्यसैले यो SWC हेवी-ड्युटी विश्वव्यापी संयुक्त युग्मन खनन मेसिनरी र निर्माण उपकरणहरू जस्ता लोड-वाहक क्षमतामा कडा आवश्यकताहरू भएका परिदृश्यहरूको लागि धेरै उपयुक्त छ। प्रसारण दक्षताको सन्दर्भमा, यो 98.6% सम्म पुग्छ। ठूला पावर ट्रान्समिशनको लागि एक कुशल विश्वव्यापी संयुक्त युग्मनको रूपमा, यसले ऊर्जा खपत र बिजुली लागतलाई उल्लेखनीय रूपमा कम गर्न सक्छ, यसलाई उच्च-शक्ति औद्योगिक प्रसारणको क्षेत्रमा ऊर्जा-बचत विश्वव्यापी संयुक्त युग्मन समाधानहरूको लागि रुचाइएको उत्पादन बनाउन सक्छ।
अन्तमा, यो युग्मनले स्थिर प्रसारण सुविधा दिन्छ, सञ्चालन आवाज सामान्यतया 30-40 dB(A) मा नियन्त्रित हुन्छ, यसले यसलाई कम-शोर विश्वव्यापी संयुक्त युग्मन बनाउँछ। यो विशेषताले यसलाई आवाज-संवेदनशील औद्योगिक परिदृश्यहरूमा पनि चुपचाप सञ्चालन गर्न अनुमति दिन्छ र सधैं उच्च विश्वसनीयता कायम राख्छ।
⭐⭐⭐⭐⭐ वांग लेई, प्रोजेक्ट इन्जिनियर, गुआंग्डोंग भारी मेसिनरी कं, लिमिटेड।
हामीले केही समयको लागि हाम्रो भारी मेसिनरीमा Raydafon को SWC-DH सर्ट फ्लेक्स वेल्डिङ प्रकार युनिभर्सल कपलिङ प्रयोग गर्दै आएका छौं, र यो एक सुखद आश्चर्यको कुरा हो - विशेष गरी जब यो कडा ठाउँहरूमा फिट गर्ने कुरा आउँछ। हाम्रो उपकरणमा प्रसारण भागहरूका लागि धेरै सीमित ठाउँ छ, तर यो युग्मनको कम्प्याक्ट डिजाइन पन्जा जस्तै फिट हुन्छ, यसलाई काम गर्नका लागि अन्य कम्पोनेन्टहरू पुन: व्यवस्थित गर्न आवश्यक पर्दैन।
के अझ राम्रो छ कि यसले आकारको लागि प्रदर्शन त्याग गर्दैन। यसले अझै पनि बलियो, स्थिर टर्क ट्रान्समिसन प्रदान गर्छ—हाम्रो हेभी-ड्युटी सञ्चालनका लागि महत्वपूर्ण। हामीले यसलाई हप्तासम्म निरन्तर चलाउँदै आएका छौं, र त्यहाँ शून्य असामान्य कम्पन भएको छ; सम्पूर्ण प्रणाली सहज रहन्छ। वेल्डिङको गुणस्तर अर्को हाइलाइट पनि हो—तपाईले यसलाई हेरेर मात्र ठोस छ भन्न सक्नुहुन्छ, जसले हामीलाई पूर्ण विश्वास दिन्छ कि यसले लामो समयसम्म भारी प्रयोग गर्न सक्छ। ठाउँ बचत डिजाइन र विश्वसनीयतालाई सन्तुलनमा राख्ने युग्मनको लागि, यो एक विजेता हो।
⭐⭐⭐⭐⭐ झाओ मिङ, प्रोक्योरमेन्ट प्रबन्धक, टियांजिन स्टिल इक्विपमेन्ट कं, लिमिटेड।
हामीले भर्खरै Raydafon बाट धेरै SWC-DH कपलिंगहरू अर्डर गर्यौं, र मैले भन्नु पर्छ, सम्पूर्ण खरीद प्रक्रिया एक हावा थियो - कुनै टाउको दुखाइ, कुनै ढिलाइ छैन। हामीले अर्डर पठाएको क्षणदेखि, तिनीहरूको टोली उत्तरदायी थियो, र डेलिभरी ठीक निर्धारित मितिमा देखा पर्यो, जुन हाम्रो उत्पादनलाई ट्र्याकमा राख्नको लागि ठूलो प्लस हो। प्याकेजिङ पनि शीर्ष-निशान थियो: प्रत्येक युग्मन सुरक्षित रूपमा बेरिएको थियो, ढुवानीको समयमा कुनै डेन्ट वा क्षति थिएन — अनबक्स र स्थापना गर्नको लागि मात्र तयार छ।
हाम्रो प्राविधिक टोलीले सेटअप ह्यान्डल गर्यो, र उनीहरूले यसलाई माउन्ट गर्न कत्तिको सजिलो थियो भनेर तुरुन्तै उल्लेख गरे। कुनै जटिल चरणहरू छैनन्, विशेष उपकरणहरूको खोजी गर्न आवश्यक छैन - तिनीहरूले यसलाई छिट्टै फिट गरे, र यो पहिलेदेखि नै विश्वसनीय रूपमा चलिरहेको छ। जब तपाइँ यो लगातार प्रदर्शन संग जोडिएको उचित मूल्य मा कारक, यो स्पष्ट छ कि यो युग्मन महान मूल्य प्रदान गर्दछ। हामीले यसलाई हाम्रो नियमित खरिद सूचीमा राख्ने योजना बनाइरहेका छौं; यो त्यस्तो प्रकारको उत्पादन हो जसले क्रेताको रूपमा मेरो कामलाई सजिलो बनाउँछ।
⭐⭐⭐⭐⭐ लिउ होंग, मर्मत निर्देशक, शानडोंग औद्योगिक समूह
उपकरण मर्मत सम्भारको निरीक्षण गर्ने व्यक्तिको रूपमा, मेरो सबैभन्दा ठूलो प्राथमिकता डाउनटाइममा कटौती गर्नु र मेरो टोलीले सर्भिसिङ पार्ट्समा खर्च गर्ने समयलाई घटाउनु हो। Raydafon को SWC-DH युग्मनले ती दुबै बाकसहरूलाई पूर्ण रूपमा जाँच गर्दछ। हामी यसलाई दैनिक भारी कामको बोझ अन्तर्गत चल्ने उपकरणहरूमा प्रयोग गर्छौं, र यो कहिल्यै चिप्लिन्छ वा परिवर्तन हुँदैन — दृढतापूर्वक ठाउँमा रहन्छ, कुनै ढिलो जडानहरू छैनन्। महिनौं प्रयोग पछि पनि, त्यहाँ पहिरनको कुनै संकेत मात्रै छ, जुन हामीले पहिले प्रयोग गरेका अन्य कपलिंगहरू भन्दा ठूलो भिन्नता हो।
ती पुरानो युगलहरूसँग, हामी जहिले पनि द्रुत फिक्सहरू वा भाग प्रतिस्थापनको समय तालिका बनाउँदै थियौं, जसले उत्पादनको समयमा खायो र लागतमा थपियो। यो एक? हामी यसलाई मुश्किलले छुन्छौं - कुनै बारम्बार सेवा छैन, कुनै अप्रत्याशित ब्रेकडाउन छैन। यसले हामीलाई मर्मतमा धेरै समय र पैसा बचत गरेको छ, र यसले भरपर्दो रूपमा आफ्नो काम गरिरहन्छ। आजकल, यो हाम्रो दैनिक कार्यहरूमा जाने-जाने घटक भएको छ; मलाई यो असफल भएको बारे चिन्ता गर्नुपर्दैन, जसले मलाई अन्य प्राथमिकताहरूमा ध्यान केन्द्रित गर्न दिन्छ। यो ठ्याक्कै प्रत्येक मर्मत टोलीलाई आवश्यक पर्ने भरपर्दो भाग हो।
ठेगाना
Luotuo औद्योगिक क्षेत्र, Zhenhai जिल्ला, Ningbo शहर, चीन
टेलिफोन
इ-मेल


+86-574-87168065


Luotuo औद्योगिक क्षेत्र, Zhenhai जिल्ला, Ningbo शहर, चीन
प्रतिलिपि अधिकार © Raydafon टेक्नोलोजी समूह कं, सीमित सबै अधिकार सुरक्षित।
Links | Sitemap | RSS | XML | Privacy Policy |
