QR कोड
हाम्रो बारेमा
उत्पादनहरू
हामीलाई सम्पर्क गर्नुहोस


फ्याक्स
+86-574-87168065

इ-मेल

ठेगाना
Luotuo औद्योगिक क्षेत्र, Zhenhai जिल्ला, Ningbo शहर, चीन
Raydafon को SWC-WD Short Without Flex Flange Type Universal Coupling को भारी मेसिनरीमा टर्क कुशलतापूर्वक सार्नको लागि बनाइएको छ - स्टिल रोलिङ मिलहरू, क्रेनहरू, लिफ्टिङ उपकरणहरू, ती सबै भारी-कर्तव्य गियरहरू सोच्नुहोस्। यो एक कम्प्याक्ट, गैर-टेलिस्कोपिक फ्ल्यान्ज डिजाइन छ, 180mm देखि 1320mm सम्म gyration व्यास संग। यो छोटो फ्ल्यान्ज युनिभर्सल कपलिङले १५ डिग्रीसम्मको कोणीय मिसाइलाइनमेन्ट र १६००० kN·m सम्मको टर्कलाई ह्यान्डल गर्न सक्छ, त्यसैले धेरै ठाउँ नभएको ठाउँमा पनि यसले शक्ति हस्तान्तरणलाई विश्वसनीय रूपमा राख्छ। हामी यसलाई उच्च-शक्तिको 35CrMo स्टिलबाट बनाउँछौं, बोल्टको आवश्यकता पर्दैन - भारी मेसिनरीका लागि विश्वव्यापी कपलिंगहरू र औद्योगिक अनुप्रयोगहरूको लागि गैर-टेलिस्कोपिक विश्वव्यापी युग्मनहरूको लागि उपयुक्त। यसलाई धेरै मर्मतको आवश्यकता पर्दैन र सधैंभरि रहन्छ, जुन तपाइँलाई कडा सेटअपहरूमा चाहिने कुरा हो।
चीनमा हाम्रो उत्पादनले ISO 9001 मापदण्डहरू पछ्याउँछ, त्यसैले SWC-WD विश्वव्यापी युग्मनले कठोर परिस्थितिहरूमा राख्छ। क्रस शाफ्ट जंग प्रतिरोध गर्न क्रोम प्लेटेड छ, यसको कठोरता थप्दै। यसको कठोर, वेल्डेड फ्ल्यान्ज डिजाइनले स्थापनालाई हावा बनाउँछ, विशेष गरी धातु विज्ञान र खानी उपकरणहरूमा जहाँ अक्षीय आन्दोलन एकदम कम हुन्छ। हामी तपाइँको आवश्यकताहरु लाई फिट गर्न को लागी आकार अनुकूलित गर्न सक्छौं, त्यसैले यो टिकाऊ छोटो सार्वभौमिक युग्मनले क्रेन प्रणाली र अन्य भारी-कर्तव्य कार्यहरु को लागी कस्टम विश्वव्यापी युग्मन को रूप मा राम्रो काम गर्दछ। र मूल्य पनि प्रतिस्पर्धी छ। Raydafon को सटीक शिल्प कौशल को अर्थ कम डाउनटाइम र अधिक भरपर्दो उपकरण - संसारभरका औद्योगिक अपरेटरहरूले भरोसा गर्न सक्छन्।
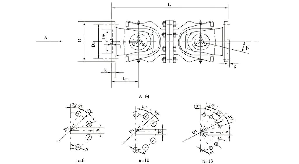
| छैन। | Gyration व्यास D mm | नाममात्र टोक़ Tn KN·m | अक्ष तह कोण β (°) | थकित टोकक Tf KN·m | साइज (मिमी) | वजन (किग्रा) | |||||||||
| Lmin | D1 (js11) | D2 (H7) | Lm | n-d | k | t | b (h9) | g | Lmin | बढाउनुहोस् 100mm | |||||
| SWC180WD | 180 | 12.5 | 6.3 | ≤२५ | 440 | 155 | 105 | 110 | ८-१७ | 17 | 5 | - | - | 0.145 | 52 |
| SWC225WD | 225 | 40 | 20 | ≤१५ | 480 | 196 | 135 | 120 | ८-१७ | 20 | 5 | 32 | 9.0 | 0.355 | 82 |
| SWC250WD | 250 | 63 | 31.5 | 560 | 218 | 150 | 140 | ८-१९ | 25 | 6 | 40 | 12.5 | 0.831 | 127 | |
| Swc285wd | 285 | 90 | 45 | 640 | 245 | 170 | 160 | ८-२१ | 27 | 7 | 40 | 15.0 | 1.715 | 189 | |
| SWC315WD | 315 | 125 | 63 | 720 | 280 | 185 | 180 | १०-२३ | 32 | 8 | 40 | 15.0 | 2.820 | 270 | |
| SWC350WD | 350 | 180 | 90 | 776 | 310 | 210 | 194 | १०-२३ | 35 | 8 | 50 | 16.0 | 4.791 | 370 | |
| SWC390WD | 390 | 250 | 125 | 860 | 345 | 235 | 215 | १०-२५ | 40 | 8 | 70 | 18.0 | 8.229 | 524 | |
| Swc440wd | 440 | 355 | 180 | 1040 | 390 | 255 | 260 | १६-२८ | 42 | 10 | 80 | 20.0 | 15.320 | 798 | |
| SWC490WD | 490 | 500 | 250 | 1080 | 435 | 275 | 270 | १६-३१ | 47 | 12 | 90 | 22.5 | 25.740 | 1055 | |
| SWC550WD | 550 | 710 | 355 | 1220 | 492 | 320 | 305 | १६-३१ | 50 | 12 | 100 | 22.5 | 46.780 | 1524 | |
| SWC620WD | 620 | 1000 | 500 | 1360 | 555 | 380 | 340 | १०-३८ | 55 | 12 | 100 | 25.0 | 83.760 | 2120 | |
* १. Tf-अल्टरनेसन अन्तर्गत टर्क लोड हुन्छ जसले थकानको शक्ति अनुसार अनुमति दिन्छ।
Raydafon को SWC सार्वभौमिक संयुक्त युग्मन - सामान्यतया SWC कार्डन शाफ्ट विश्वव्यापी संयुक्त युग्मन भनिन्छ - एक भाग मात्र होइन; यो भारी शुल्क औद्योगिक क्षेत्रहरूमा हुनै पर्छ, जस्तै रोलिङ मिलहरू, फहराउने उपकरणहरू, र सबै प्रकारका कठिन भारी मेसिनरी सेटअपहरू। उच्च-टोर्क सार्वभौमिक संयुक्त युग्मनको रूपमा, यसले पूर्ण रूपमा पङ्क्तिबद्ध नभएका दुई ट्रान्समिशन शाफ्टहरू जोड्ने ठोस काम गर्दछ, काम गर्ने अवस्थाहरू साँच्चै कठोर हुँदा पनि शक्ति सजिलैसँग डेलिभर हुन्छ भन्ने सुनिश्चित गर्दै।
यसको मूल विनिर्देशहरूको बारेमा कुरा गरौं: gyration व्यास φ58 देखि φ620 सम्म हुन्छ, नाममात्र टर्क 0.15 देखि 1000 kN·m सम्म हुन्छ, र एक्सिस फोल्ड कोण 25° भन्दा बढी हुँदैन।
यो युग्मनले विशेष स्थानहरूमा राम्रो काम गर्छ — जस्तै जब तपाईंलाई रोलिङ मिल सञ्चालनका लागि भरपर्दो भारी शुल्क सार्वभौमिक संयुक्त युग्मन वा लिफ्टिङ र सामग्री ह्यान्डलिङ उपकरणहरूमा टिकाउ SWC विश्वव्यापी संयुक्त शाफ्ट युग्मन चाहिन्छ। यी अवस्थामा, यसले आफ्नो बल देखाउँछ: ठूलो तनावमा पनि, यसले सञ्चालनलाई स्थिर राख्छ, कुनै गडबड वा ब्रेकडाउन छैन।
Raydafon को SWC सार्वभौमिक संयुक्त युग्मन मात्र सँगै फ्याँकिएको छैन - यो उत्कृष्ट काम गर्न र औद्योगिक प्रयोगमा लामो समयसम्म होल्ड गर्न स्मार्ट, अप-टु-डेट इन्जिनियरिङको साथ बनाइएको छ। यसको संरचनालाई के फरक बनाउँछ भनेर हिंडौं।
पहिलो, यसको उचित र सुरक्षित कन्फिगरेसन छ: हामीले यस औद्योगिक सार्वभौमिक संयुक्त युग्मनका लागि एकीकृत फोर्क हेड डिजाइन प्रयोग गर्यौं, जसले बोल्टहरू ढिलो हुने वा फुट्ने जस्ता जोखिमहरूलाई कम गर्छ। त्यो ट्वीकले मात्र यसलाई 30%-50% बलियो बनाउँछ, त्यसैले यो सुरक्षित र लगातार चल्छ। नियमित युग्मनहरूको तुलनामा, यो लामो समयसम्म रहन्छ, र यसले उच्च-तनाव स्थानहरूमा सामान्य समस्याहरूलाई बेवास्ता गर्छ—जस्तै भारी मेसिनरी विश्वव्यापी संयुक्त युग्मन प्रणालीहरू जुन तपाईंले कठिन कामहरूमा देख्नुहुन्छ।
त्यसपछि त्यहाँ यसको परिष्कृत लोड-वाहक क्षमता छ: यो SWC हेवी-ड्युटी विश्वव्यापी संयुक्त युग्मन ठूलो तौलहरू ह्यान्डल गर्नको लागि बनाइएको छ, त्यसैले खनन गियर वा निर्माण मेसिनहरू जस्ता शीर्ष-निशान लोड ह्यान्डलिङ आवश्यक पर्ने ठाउँहरूमा यो अनिवार्य छ।
यसले 98.6% सम्म उच्च प्रसारण दक्षतालाई पनि हिट गर्दछ। ठूला पावर ट्रान्समिशनको लागि एक कुशल विश्वव्यापी संयुक्त युग्मनको रूपमा, यसले ऊर्जा प्रयोग र यसको साथ आउने लागतहरू घटाउँछ। यसैले यो उच्च-शक्ति औद्योगिक प्रसारण सेटअपहरूमा ऊर्जा-बचत विश्वव्यापी संयुक्त युग्मन समाधानहरूको लागि शीर्ष छनोट हो।
र यो कम आवाज संग सहज चल्छ: प्रसारण स्थिर रहन्छ, र आवाज सामान्यतया 30-40 dB (A) को बीचमा हो। यो कम-शोर सार्वभौमिक संयुक्त युग्मनले सञ्चालनहरू शान्त राख्छ, जुन औद्योगिक स्थानहरूको लागि उपयुक्त छ जहाँ शोर एक समस्या हो - उच्च स्तरमा विश्वसनीयता राख्दा।
⭐⭐⭐⭐⭐ झांग वेई, प्रमुख इन्जिनियर, हेनान खनन उपकरण कं, लिमिटेड।
हामीले हाम्रो खनन मेसिनरीमा Raydafon को SWC-WD सर्ट विना फ्लेक्स फ्ल्यान्ज प्रकार युनिभर्सल कपलिङ राख्दै आएका छौं, र यो एकदमै उपयुक्त छ। यसको कम्प्याक्ट डिजाइन हामीलाई टाइट स्पेसहरूको लागि चाहिने कुरा हो जहाँ खाली गर्न धेरै ठाउँ छैन, र निर्माण कार्यहरू स्थिर राख्न पर्याप्त कठिन छ। भारी-कर्तव्य अवस्थाहरूमा यो ननस्टप चलिरहेको बेला पनि, यो युग्मनले हामीलाई कहिल्यै निराश पार्दैन - कुनै पनि असफलता छैन। हाम्रो मर्मतसम्भार टोलीले यो मन पराउछ कि यसलाई मुश्किलले चेक इन गर्न आवश्यक छ, जसको मतलब हामी उत्पादनलाई कुनै अतिरिक्त झन्झट बिना सहज रूपमा अघि बढाउन सक्छौं।
⭐⭐⭐⭐⭐ माइकल ब्राउन, सञ्चालन प्रबन्धक, टेक्सास स्टील वर्क्स, संयुक्त राज्य अमेरिका
हाम्रो टेक्सास कार्यशालाले Raydafon बाट Flex Flange Type Universal Coupling बिना SWC-WD सर्ट अर्डर गर्यो, र इमानदारीपूर्वक, गुणस्तरले हामीलाई उडाएको छ। युग्मनहरू वास्तवमै राम्रोसँग मेसिन गरिएका छन्, तिनीहरूलाई स्थापना गर्नु एक सिन्च हो, र तिनीहरू लोडमा हुँदा पनि भरपर्दो रूपमा समात्छन्। मलाई सबैभन्दा बढी के लाग्थ्यो? यसले मूल्य र कार्यसम्पादनलाई कति राम्रोसँग सन्तुलनमा राख्छ—तपाईले प्रायः त्यो मीठो ठाउँ फेला पार्नुहुन्न। गुणस्तरको यस स्तरलाई निरन्तर रूपमा डेलिभर गर्ने आपूर्तिकर्ता खोज्न सजिलो छैन, तर Raydafon ले उनीहरू हाम्रा लागि भरपर्दो साझेदार हुन् भनेर प्रमाणित गरेको छ।
⭐⭐⭐⭐⭐ अन्ना मुलर, मर्मत पर्यवेक्षक, बर्लिन औद्योगिक समाधान, जर्मनी
हामीले हाम्रो बर्लिन उपकरण लाइनमा Raydafon को SWC-WD Short Without Flex Flange Type Universal Coupling राख्यौं, र परिणामहरू उत्कृष्ट छन्। उत्पादन आफैंले चट्टान-ठोस महसुस गर्छ, वेल्डिङ सटीक छ — यहाँ कुनै कम काम छैन — र अहिलेसम्म, यो साँच्चै राम्रोसँग राखिएको छ, उच्च स्तरको स्थायित्व देखाउँदै। हामीले यहाँ युरोपमा प्रयोग गरेका केही अन्य ब्रान्डहरूको तुलनामा, यो युग्मन धेरै भरपर्दो छ, र मूल्य पनि धेरै प्रतिस्पर्धी छ। यदि अन्य कम्पनीहरूले भरपर्दो सार्वभौमिक युग्मनहरू खोजिरहेका छन् भने, म बिल्कुल रायडाफोनलाई सिफारिस गर्दछु।
Raydafon's SWC-WD Short Without Flex Flange Type Universal Coupling — जसलाई SWC कार्डन शाफ्ट युनिभर्सल जोइन्ट कपलिङ भनिन्छ — तंग औद्योगिक स्थानहरूको लागि बनाइएको छ, जहाँ ठाउँ सीमित छ र तपाईंलाई निश्चित-लम्बाइको डिजाइन चाहिन्छ (कुनै टेलिस्कोपिक विस्तार छैन)। उच्च-टोर्क सार्वभौमिक संयुक्त युग्मनको रूपमा, यसले पङ्क्तिबद्ध नगरिएका शाफ्टहरू बीच टोक़लाई कुशलतापूर्वक सार्छ, 25 डिग्रीसम्म कोणीय विचलनहरू ह्यान्डल गर्छ, र यो भारी शुल्क वातावरणमा पनि भरपर्दो रहन्छ।
यसको मुख्य विशेषताहरूको बारेमा कुरा गरौं: यसमा एक कम्प्याक्ट र कठोर संरचना छ—यो छोटो, गैर-लचकदार फ्ल्यान्ज सेटअपले यसलाई रोलिङ मिल सञ्चालनका लागि भरपर्दो भारी शुल्क विश्वव्यापी संयुक्त युग्मन बनाउँछ, सेटअपहरूमा अतिरिक्त स्थिरता प्रदान गर्दछ जहाँ अक्षीय आन्दोलन न्यूनतम हुन्छ। त्यसकारण यसले कडा मेसिनरीहरूमा निश्चित-दूरी जडानहरूको लागि राम्रोसँग काम गर्दछ। त्यसपछि यसको उच्च भार वहन गर्ने क्षमता छ: हामी यसलाई बनाउनको लागि कास्ट आइरन वा मिश्र धातु इस्पात जस्ता कडा सामग्रीहरू प्रयोग गर्छौं, त्यसैले यो लिफ्टिङ र सामग्री ह्यान्डलिङ उपकरणहरूमा एक टिकाऊ SWC विश्वव्यापी संयुक्त शाफ्ट युग्मन हो। यसले ठूलो तौल राख्छ र उही व्यासको अन्य कपलिंगहरू भन्दा बढी टर्क प्रसारण गर्दछ, जसले यसलाई खनन वा निर्माण गियरमा भारी भारहरूको लागि उत्तम बनाउँदछ।
यो औद्योगिक सार्वभौमिक संयुक्त युग्मनले गलत अलाइनमेन्टको लागि पनि साँच्चै राम्रोसँग क्षतिपूर्ति दिन्छ - चाहे यो कोणीय, समानान्तर, वा अक्षीय मिसालाइनमेन्ट होस्, यसले घूर्णन गति वा टर्क ट्रान्सफरसँग गडबड गर्दैन। यसको मतलब भारी मेसिनरी विश्वव्यापी संयुक्त युग्मन प्रणालीहरूमा सहज सञ्चालन। र यो पावर ट्रान्समिशनमा कुशल छ: 98.6% दक्षतामा हिट गर्दै, यो SWC हेवी-ड्युटी युनिभर्सल संयुक्त युग्मनले ऊर्जा हानि कम राख्छ, यसलाई उच्च-शक्ति औद्योगिक सेटअपहरूमा ठूलो शक्ति प्रसारणको लागि एक कुशल विश्वव्यापी संयुक्त युग्मन बनाउँछ।
साथै, यो ऊर्जा बचत गर्न र शान्त रहन डिजाइन गरिएको हो—यदि तपाईंलाई ऊर्जा-बचत विश्वव्यापी संयुक्त युग्मन समाधानहरू चाहिन्छ भने, यो एक शीर्ष छनोट हो, परिचालन लागतहरू घटाउने। र यसले 30-40 dB (A) को बीचमा शोर राख्छ, त्यसैले यो कम-शोर विश्वव्यापी संयुक्त युग्मन औद्योगिक स्थानहरूमा ठीक फिट हुन्छ जहाँ शोर चिन्ताको विषय हो।
यो युग्मन वास्तवमा विशिष्ट परिदृश्यहरूमा चम्किन्छ - जस्तै जब तपाईंलाई रोलिङ मिल सञ्चालनका लागि भरपर्दो भारी शुल्क विश्वव्यापी संयुक्त युग्मन वा लिफ्टिङ र सामग्री ह्यान्डलिङ उपकरणहरूमा टिकाउ SWC विश्वव्यापी संयुक्त शाफ्ट युग्मन चाहिन्छ। यी अवस्थाहरूमा, अत्यधिक भार र सीमित ठाउँको साथ पनि, यसले सञ्चालनलाई स्थिर राख्छ, कुनै हिचकी हुँदैन।
जब यो औद्योगिक सार्वभौमिक संयुक्त युग्मन अनुप्रयोगहरूको कुरा आउँछ, हाम्रो SWC-WD भेरियन्ट स्मार्ट इन्जिनियरिङसँग फरक छ जसले यसलाई अझ राम्रो र लामो समयसम्म प्रदर्शन गर्दछ। यसको मुख्य संरचनाको बारेमा कुरा गरौं: यसमा एकीकृत फोर्क हेड डिजाइनको साथ एक उचित, सुरक्षित सेटअप छ—यसले बोल्टहरू ढीलो हुने वा भाँच्ने जस्ता समस्याहरूबाट छुटकारा पाउँछ, 30%-50% सम्म समग्र शक्ति बढाउँछ। यसको मतलब यो सुरक्षित र भरपर्दो रूपमा चल्छ, पुरानो-शैली मोडेलहरू भन्दा लामो समयसम्म रहन्छ, र भारी मेसिनरी विश्वव्यापी संयुक्त युग्मन प्रणालीहरू जस्तै उच्च-तनाव स्थानहरूमा सामान्य ब्रेकडाउनहरू बेवास्ता गर्दछ।
साथै, यसले धेरै भारहरू ह्यान्डल गर्न सक्छ—हामीले यसलाई भारी तौलहरूलाई समर्थन गर्नको लागि बनायौं, त्यसैले यो SWC हेभी-ड्युटी विश्वव्यापी संयुक्त युग्मन खनन वा निर्माण उपकरणहरू जस्ता कठिन भार ह्यान्डलिङ आवश्यक पर्ने ठाउँहरूका लागि उपयुक्त छ। यसले 98.6% प्रसारण दक्षतामा हिट गर्दै सुपर कुशलतापूर्वक पावर पनि चलाउँछ। ठूला पावर ट्रान्समिशनको लागि एक कुशल विश्वव्यापी संयुक्त युग्मनको रूपमा, यसले ऊर्जाको प्रयोग र यससँग आउने लागतहरू घटाउँछ, यसले उच्च-शक्ति औद्योगिक प्रसारण सेटअपहरूमा ऊर्जा बचत गर्ने विश्वव्यापी संयुक्त युग्मन समाधानहरूको लागि शीर्ष छनौट बनाउँछ।
र यो मुश्किलले कुनै पनि आवाज संग सहज चल्छ - प्रसारण स्थिर रहन्छ, र शोर सामान्यतया 30-40 dB (A) बीच रहन्छ। यो कम-शोर सार्वभौमिक संयुक्त युग्मनले सञ्चालनहरू शान्त राख्छ, जुन औद्योगिक स्थानहरूको लागि उपयुक्त छ जहाँ शोर एक समस्या हो, उच्च स्तरमा विश्वसनीयता राख्दा।
Raydafon ट्रान्समिशन पार्ट्सको अर्को नाम मात्र होइन - हामी उच्च-कार्यक्षमता प्रसारण कम्पोनेन्टहरू र औद्योगिक मेसिनरी समाधानहरूको एक अग्रणी निर्माता र आपूर्तिकर्ता हौं, र हामीले SWC कार्डन शाफ्ट युनिभर्सल संयुक्त युग्मन जस्ता उत्पादनहरूमा तीव्र ध्यान केन्द्रित गरेका छौं। हामीले विश्वव्यापी उद्योगहरूलाई तिनीहरूको विकासको क्रममा चाहिने कुराहरू जारी राख्न सुरु गर्यौं, र समयसँगै, हामीले एक पूर्ण लाइनअप निर्माण गरेका छौं: गियरबक्सहरू, ड्राइभ शाफ्टहरू, हाइड्रोलिक सिलिन्डरहरू, पुलीहरू, सटीक मेसिन उपकरणहरू—सबै कृषि र भारी शुल्क क्षेत्रहरू कसरी चल्छन् भनेर बढावा दिनका लागि। हामी नवप्रवर्तनमा ठूलो छौं, त्यसैले हामी रोलिङ मिल सञ्चालनका लागि भरपर्दो हेभी-ड्युटी विश्वव्यापी संयुक्त युग्मन प्रदान गर्न सक्छौं जुन कुनै अवरोध बिना सबैभन्दा जटिल प्रणालीहरूमा पनि फिट हुन्छ।
हाम्रा सुविधाहरू पनि उत्कृष्ट छन्—हामीसँग CNC कार्यशालाहरू, ग्राइन्डिङ र तातो उपचार गियर, र उन्नत 3D मापन प्रणालीहरू छन्। हामी ISO9001/TS16949 जस्ता कडा गुणस्तरीय मापदण्डहरूमा अडिग रहन्छौं, र त्यो सेटअपले हामीलाई उच्च-टर्क विश्वव्यापी संयुक्त युग्मन समाधानहरू बनाउन दिन्छ जसले टर्कलाई उत्कृष्ट स्थानान्तरण गर्छ र एक पेशेवरको रूपमा मिसालाइनमेन्ट ह्यान्डल गर्छ। लिफ्टिङ र सामग्री ह्यान्डलिंग उपकरणहरूमा हाम्रो टिकाऊ SWC सार्वभौमिक संयुक्त शाफ्ट युग्मन लिनुहोस्, उदाहरणका लागि — यो कडा लोड-बेयरिङ पावर चाहिने ठाउँहरूको लागि बनाइएको हो। र हाम्रो औद्योगिक सार्वभौमिक संयुक्त युग्मन लाइन? यसले सबै प्रकारका प्रयोगहरूलाई समेट्छ जहाँ परिशुद्धता र दृढता सबैभन्दा महत्त्वपूर्ण हुन्छ।
हामीले उत्पादन गरेको ८० प्रतिशत निर्यात अमेरिका, जर्मनी, जापान, इटाली, मलेसिया, अष्ट्रेलिया र मध्यपूर्वमा पठाइन्छ। हामीले चीन, दक्षिण कोरिया, बेलायत, सिंगापुर, अमेरिका र स्पेनमा पनि बलियो नेटवर्कहरू पाएका छौं, त्यसैले हामी विश्वव्यापी रूपमा बलियो छौं। त्यो पहुँचले हामीलाई अनुकूलित SWC हेभी-ड्युटी युनिभर्सल संयुक्त युग्मन विकल्पहरू प्रस्ताव गर्न दिन्छ—ग्राहकहरूलाई के चाहिन्छ, जस्तै हेभी मेसिनरी युनिभर्सल संयुक्त युग्मन प्रणालीहरूमा जहाँ चरम भारहरूमा स्थिर रहनु गैर-वार्तालाप गर्न मिल्दैन।
हामी स्थायित्व र ग्राहकहरूलाई पहिले राख्ने समाधानहरू बनाउने बारे ख्याल राख्छौं। यसैले हामीले ऊर्जा बचत गर्ने विश्वव्यापी संयुक्त युग्मन समाधानहरू विकास गर्छौं जसले 98.6% प्रसारण दक्षतामा हिट गर्दछ - उच्च-शक्ति सेटअपहरूमा ऊर्जाको प्रयोगमा कटौती गर्दछ। तपाईलाई ठूलो पावर ट्रान्समिशनको लागि कुशल विश्वव्यापी संयुक्त युग्मन चाहिन्छ वा शोरको समस्या भएको औद्योगिक स्थानहरूको लागि कम-आवाजको विश्वव्यापी संयुक्त युग्मन चाहिन्छ, हाम्रा उत्पादनहरू पूर्ण बिक्री पछि सेवाको साथ आउँछन्। यसरी हामी ट्रान्समिसन उद्योगमा भरपर्दो साझेदार बनेका छौं—हामी भागहरू मात्र बेच्दैनौं, हामी तिनीहरूलाई ब्याकअप गर्छौं।
ठेगाना
Luotuo औद्योगिक क्षेत्र, Zhenhai जिल्ला, Ningbo शहर, चीन
टेलिफोन
इ-मेल


+86-574-87168065


Luotuo औद्योगिक क्षेत्र, Zhenhai जिल्ला, Ningbo शहर, चीन
प्रतिलिपि अधिकार © Raydafon टेक्नोलोजी समूह कं, सीमित सबै अधिकार सुरक्षित।
Links | Sitemap | RSS | XML | Privacy Policy |
