QR कोड
हाम्रो बारेमा
उत्पादनहरू
हामीलाई सम्पर्क गर्नुहोस


फ्याक्स
+86-574-87168065

इ-मेल

ठेगाना
Luotuo औद्योगिक क्षेत्र, Zhenhai जिल्ला, Ningbo शहर, चीन
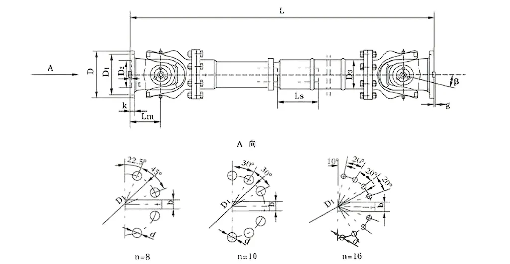
Raydafon को SWC-BF स्ट्यान्डर्ड फ्लेक्स फ्ल्यान्ज टाइप युनिभर्सल कपलिङ भारी मेसिनरीमा टर्कलाई भरपर्दो रूपमा सार्नको लागि बनाइएको छ — सोच्नुहोस् रोलिङ मिलहरू, कागज बनाउने उपकरणहरू, औद्योगिक ड्राइभहरू, सबै सेटअपहरू जुन कठिन कार्यसम्पादन चाहिन्छ। योसँग लचिलो फ्ल्यान्ज डिजाइन छ, 180mm देखि 620mm सम्मको gyration व्यासको साथ, र यो मानक फ्लेक्स युनिभर्सल युग्मनले 15 डिग्री प्लस टर्क 1250 kN·m सम्मको कोणीय मिसाइलाइनमेन्ट ह्यान्डल गर्छ। कामको वातावरणको मागमा पनि, यो स्थिर रहन्छ, कुनै ड्रप-अफ छैन। हामी यसलाई उच्च-शक्तिको 35CrMo स्टिल र सटीक सुई बियरिङहरूद्वारा बनाउँछौं, त्यसैले यो औद्योगिक मेसिनरीका लागि सार्वभौमिक युग्मनहरू र भारी उपकरणहरूका लागि फ्लेक्स फ्ल्यान्ज युग्मनहरूको रूपमा उपयुक्त छ—शक्तिलाई बलियो रूपमा चलाउँछ, र तपाईंले कुनै कम्पन मात्रै देख्नुहुन्न।
चीनमा हाम्रो उत्पादनले ISO 9001 मापदण्डहरू पछ्याउँछ, त्यसैले SWC-BF विश्वव्यापी युग्मन लामो समयसम्म रहन्छ र क्षरण प्रतिरोध गर्दछ—सबै यसको क्रोम-प्लेटेड क्रस शाफ्टको लागि धन्यवाद। फ्ल्यान्ज जडानले स्थापनालाई सजिलो बनाउँछ, जुन धातु विज्ञान, खनन, र जहाज निर्माण जस्ता क्षेत्रहरूमा ठूलो मद्दत हो—स्थानहरू जहाँ तपाईंलाई मध्यम अक्षीय लचिलोपन चाहिन्छ। हामी यसको साइज र टर्क रेटिङहरू पनि अनुकूलित गर्न सक्छौं, त्यसैले यो टिकाउ फ्लेक्स युनिभर्सल कपलिङले रोलिङ मिलहरू र अन्य औद्योगिक आवश्यकताहरूको लागि कस्टम युनिभर्सल कपलिंगको रूपमा राम्रो काम गर्दछ। र मूल्य प्रतिस्पर्धी छ, कुनै ओभरचार्जिङ छैन। Raydafon को ज्ञान-कसरी भनेको तपाईंले मर्मतमा कम समय खर्च गर्नुहुनेछ, र तपाईंको उपकरणहरू अझ भरपर्दो रहनेछन्—विश्वभरका अपरेटरहरूले भर पर्न सक्ने कुरा।
| छैन। | Gyration व्यास D mm | नाममात्र टोक़ Tn KN·m | अक्ष तह कोण β (°) | थकित टोकक Tf KN·m | फ्लेक्स मात्रा Ls मिमी | साइज (मिमी) | घुमाउने जडता kg.m2 | वजन (किग्रा) | |||||||||||
| Lmin | D1 (js11) | D2 (H7) | D3 | Lm | n-d | k | t | b (h9) | g | Lmin | बढाउनुहोस् 100mm | Lmin | बढाउनुहोस् 100mm | ||||||
| SWC180BF | 180 | 12.5 | 6.3 | ≤२५ | 100 | 810 | 155 | 105 | 114 | 110 | ८-१७ | 17 | 5 | -1.455 | - | 0.27 | 0.0070 | 80 | 2.8 |
| SWC225BF | 225 | 40 | 20 | ≤१५ | 140 | 920 | 196 | 135 | 152 | 120 | ८-१७ | 20 | 5 | 32 | 9 | 0.79 | 0.0234 | 138 | 4.9 |
| SWC250BF | 250 | 63 | 31.5 | 1035 | 218 | 150 | 168 | 140 | ८-१९ | 25 | 6 | 40 | 12.5 | 1.46 | 0.0277 | 196 | 5.3 | ||
| SWC285BF | 285 | 90 | 45 | 1190 | 245 | 170 | 194 | 160 | ८-२१ | 27 | 7 | 40 | 15 | 2.87 | 0.0510 | 295 | 6.3 | ||
| SWC315BF | 315 | 125 | 63 | 1315 | 280 | 185 | 219 | 180 | १०-२३ | 32 | 8 | 40 | 15 | 5.09 | 0.0795 | 428 | 8.0 | ||
| SWC350BF | 350 | 180 | 90 | 150 | 1410 | 310 | 210 | 267 | 194 | १०-२३ | 35 | 8 | 50 | 16 | 9.20 | 0.2219 | 632 | 15.0 | |
| SWC390BF | 390 | 250 | 125 | 170 | 1590 | 345 | 235 | 267 | 215 | १०-२५ | 40 | 8 | 70 | 18 | 16.62 | 0.2219 | 817 | 15.0 | |
| SWC440BF | 440 | 355 | 180 | 190 | 1875 | 390 | 255 | 325 | 260 | १६-२८ | 42 | 10 | 80 | 20 | 28.24 | 0.4744 | 1290 | 21.7 | |
| SWC490BF | 490 | 500 | 250 | 190 | 1985 | 435 | 275 | 325 | 270 | १६-३१ | 47 | 12 | 90 | 22.5 | 46.33 | 0.4744 | 1631 | 21.7 | |
| SWC550BF | 550 | 710 | 355 | 240 | 2300 | 492 | 320 | 426 | 305 | १६-३१ | 50 | 12 | 100 | 22.5 | 86.98 | 1.3570 | 2567 | 34.0 | |
| SWC620BF | 620 | 1000 | 500 | 240 | 2500 | 555 | 380 | 426 | 340 | १०-३८ | 55 | 12 | 100 | 25 | 147.50 | 1.3570 | 3267 | 34.0 | |
सार्वभौमिक युग्मनहरू - जसलाई सार्वभौमिक संयुक्त युग्मनहरू पनि भनिन्छ - मेकानिकल भागहरू हुन् जसले दुई शाफ्टहरू बीचको टर्क र घुमाउने गतिलाई सार्दछ जुन पूर्ण रूपमा लाइन अप नहुन सक्छ। तिनीहरूले विभिन्न औद्योगिक प्रयोगहरूमा शक्ति स्थानान्तरण कुशल राख्दा, कोणीय, अक्षीय, र रेडियल मिसालाइनमेन्टहरू ह्यान्डल गर्छन्। Raydafon मा, हाम्रो SWC कार्डन शाफ्ट युनिभर्सल संयुक्त युग्मन श्रृंखला यहाँ शीर्ष-निशान इन्जिनियरिङको एक प्रमुख उदाहरण हो, उच्च-टर्क युनिभर्सल संयुक्त युग्मन समाधानहरू प्रदान गर्दछ जुन रोलिङ मिलहरू र फहराउने मेसिनरीहरू जस्तै भारी-ड्युटी स्पटहरूका लागि बनाइएको छ।
सार्वभौमिक संयुक्त युग्मनहरूको मुख्य प्रकारहरू तोडौं:
पहिलो अप एकल विश्वव्यापी संयुक्त छ। यसमा दुईवटा जुवा जोड्ने एउटा क्रस-आकारको पिभोट छ, जसले शाफ्टहरूलाई ४५ डिग्रीसम्म कोणीय मिसाइलाइनमेन्ट गर्न दिन्छ। यसले मध्यम अफसेटहरूसँग सेटअपहरूको लागि राम्रोसँग काम गर्दछ, यद्यपि यसले वेग परिवर्तनहरू निम्त्याउन सक्छ। रोलिङ मिल सञ्चालनका लागि Raydafon को भरपर्दो भारी शुल्क सार्वभौमिक संयुक्त युग्मनले प्रायः कम्प्याक्ट निर्माणहरूमा एकल संयुक्त डिजाइनहरू प्रयोग गर्दछ, त्यसैले यसले भारी भारहरूमा पनि राम्रोसँग राख्छ।
त्यसपछि त्यहाँ डबल युनिभर्सल संयुक्त छ। यसमा दुई एकल जोइन्टहरू सँगै जोडिएका छन्, जसले ठूला मिसालाइनमेन्टहरू ह्यान्डल गर्छ र ट्रान्समिशन वेगलाई लगभग स्थिर राख्छ - कठिन शाफ्ट सेटअपहरूको लागि उत्तम। जब तपाईंलाई लिफ्टिङ र सामग्री ह्यान्डलिङ उपकरणहरूमा टिकाऊ SWC सार्वभौमिक संयुक्त शाफ्ट युग्मन चाहिन्छ, Raydafon को डबल संयुक्त मोडेलहरूले स्थिरता बढाउँछन् र उच्च-तनाव औद्योगिक विश्वव्यापी संयुक्त युग्मन प्रणालीहरूमा कम्पनहरू घटाउँछन्।
अर्को टेलिस्कोपिक वा विस्तारयोग्य विश्वव्यापी संयुक्त हो। यसमा स्प्लाइन्स वा स्लाइडिङ भागहरू छन् जसले तपाईंलाई लम्बाइ समायोजन गर्न दिन्छ जबकि गलत अलाइनमेन्टको लागि क्षतिपूर्ति दिन्छ, जसले गतिशील सेटअपहरूमा अक्षीय आन्दोलनहरूको लागि काम गर्दछ। Raydafon को SWC हेवी-ड्युटी युनिभर्सल संयुक्त युग्मनमा टेलिस्कोपिक विकल्पहरू समावेश छन् - तिनीहरूले खानी वा निर्माण साइटहरू जस्ता ठाउँहरूमा ठूलो शक्ति प्रसारणको लागि एक कुशल विश्वव्यापी संयुक्त युग्मनको रूपमा कार्य गर्दछ, जहाँ तपाईंलाई शाफ्ट लम्बाइमा लचिलोपन चाहिन्छ।
त्यहाँ ठोस, बोर, वा स्प्लाइन्ड हब प्रकारहरू पनि छन्। तिनीहरू कसरी जडान हुन्छन् यी फरक हुन्छन्: ठोस हबहरूमा कुनै प्वालहरू हुँदैनन्, बोर हबहरूमा गोलाकार, हेक्स, वा स्क्वायर ओपनिङहरू हुन्छन्, र स्प्लाइन्ड हबहरूमा कडा फिटका लागि ग्रूभहरू हुन्छन्। ऊर्जा-बचत विश्वव्यापी संयुक्त युग्मन समाधानहरूको लागि, Raydafon ले हाम्रो कम-शोर विश्वव्यापी संयुक्त युग्मन लाइनअपमा विभाजित डिजाइनहरू प्रदान गर्दछ — तिनीहरूले टर्क डेलिभरीलाई अप्टिमाइज गर्दछ र संवेदनशील औद्योगिक स्थानहरूमा आवाजलाई 30-40 dB(A) सम्म कम राख्छ।
Raydafon का सार्वभौमिक संयुक्त युग्मनहरू, SWC श्रृंखला सहित, एकीकृत फोर्क हेड डिजाइनहरूसँग बनाइन्छ - कुनै बोल्ट-सम्बन्धित समस्याहरू छैनन्, जसले 30%-50% द्वारा बल बढाउँछ र 98.6% सम्म प्रसारण दक्षतालाई हिट गर्दछ। यी सुविधाहरूले हाम्रा उत्पादनहरूलाई अनुकूलित, उच्च-प्रदर्शन समाधानहरू चाहिने पेशेवरहरूका लागि शीर्ष छनौट बनाउँछ।
सार्वभौमिक युग्मनहरू - Raydafon को SWC कार्डन शाफ्ट युनिभर्सल संयुक्त युग्मनलाई प्रमुख उदाहरणको रूपमा लिनुहोस् - औद्योगिक प्रसारण प्रणालीहरूमा ठूलो फाइदाहरू ल्याउनुहोस्। तिनीहरू पङ्क्तिबद्ध नभएका शाफ्टहरू बीचमा प्रभावकारी रूपमा टर्क सार्छन्, सबै प्रकारका विचलनहरू ह्यान्डल गर्छन्, र तिनीहरू अपरेसनहरू कठिन वातावरणहरूमा सुचारु रूपमा चलाउनको लागि आवश्यक हुन्छन् - जस्तै उच्च-टोर्क विश्वव्यापी संयुक्त युग्मन समाधानहरू चाहिन्छ।
तिनीहरूका मुख्य फाइदाहरूमा डुबौं: पहिले, तिनीहरू गलत सम्पादनको लागि क्षतिपूर्तिमा उत्कृष्ट छन्। विश्वव्यापी युग्मनहरूले 25 डिग्री सम्म कोणीय, अक्षीय, र रेडियल मिसालाइनमेन्टहरू ह्यान्डल गर्छन्, जसले तिनीहरूलाई रोलिङ मिल सञ्चालनका लागि भरपर्दो भारी शुल्क विश्वव्यापी संयुक्त युग्मन बनाउँछ। तिनीहरूले धेरै मेकानिकल तनाव वा कम्पन थप्न बिना यो गर्छ, त्यसैले तपाईंको मेसिनरी सुरक्षित रहन्छ।
त्यसपछि तिनीहरूको कठिन स्थायित्व र लामो सेवा जीवन छ। हामी यी कपलिङहरू एकीकृत फोर्क हेड डिजाइनहरू र उच्च-शक्ति सामग्रीहरूसँग निर्माण गर्छौं, जसले बोल्टहरू ढीलो हुने वा भाँच्ने जस्ता जोखिमहरूलाई कम गर्छ — संरचनात्मक अखण्डतालाई 30%-50% ले बढाउँछ। यसैले टिकाउ SWC सार्वभौमिक संयुक्त शाफ्ट युग्मन लिफ्टिंग र सामग्री ह्यान्डलिंग उपकरणहरूमा कठोर परिस्थितिहरूमा लामो स्ट्रेचहरूको लागि राम्रोसँग काम गर्दछ; यो एक लामो शट द्वारा परम्परागत मोडेल outlasts।
तिनीहरूसँग शीर्ष-निशान लोड-असर र टर्क क्षमता पनि छ। भारी तौल समात्न र ०.१५ देखि १००० kN·m सम्म नाममात्र टर्कहरू प्रसारण गर्न इन्जिनियर गरिएको, औद्योगिक सार्वभौमिक संयुक्त युग्मन भारी मेसिनरी विश्वव्यापी संयुक्त युग्मन प्रणालीहरूमा चम्कन्छ। यी सेटअपहरूमा, चरम भारहरू अन्तर्गत लगातार प्रदर्शन मेक-वा-ब्रेक हो, र यो युग्मनले हरेक पटक उद्धार गर्दछ।
जब यो पावर ट्रान्समिशन दक्षताको कुरा आउँछ, तिनीहरू हराउन गाह्रो हुन्छन्। 98.6% दक्षतामा हिट गर्दै, SWC भारी शुल्क सार्वभौमिक संयुक्त युग्मनले ऊर्जा हानि कम राख्छ। यसले यसलाई उच्च-शक्ति औद्योगिक अनुप्रयोगहरूमा ठूलो शक्ति प्रसारणको लागि एक कुशल विश्वव्यापी संयुक्त युग्मन बनाउँछ, र समयको साथ, त्यो दक्षताले वास्तविक लागत बचतमा थप्छ।
अन्तिम तर कम्तिमा होइन, तिनीहरू ऊर्जा बचत गर्छन् र शान्त दौड्छन्। ऊर्जा-बचत विश्वव्यापी संयुक्त युग्मन समाधानको रूपमा, तिनीहरूले बिजुली प्रयोगमा कटौती गर्छन्, र तिनीहरू केवल 30-40 dB(A) मा काम गर्छन्। यो कम-शोर सार्वभौमिक संयुक्त युग्मन औद्योगिक स्थानहरूका लागि उपयुक्त छ जहाँ शोर चिन्ताको विषय हो — तपाईंले ठूलो आवाज अपरेशन बिना नै तपाईंलाई आवश्यक पर्ने सबै विश्वसनीयता प्राप्त गर्नुहुन्छ।
सार्वभौमिक युग्मनहरू - धेरैजसो मानिसहरूले तिनीहरूलाई विश्वव्यापी संयुक्त युग्मनहरू भन्छन् - एक सरल तर प्रभावकारी मेकानिकल विचारमा काम गर्दछ: तिनीहरूले टर्क र घुमाउने गतिलाई दुईवटा शाफ्टहरू बीचमा सार्छन् जुन पूर्ण रूपमा लाइन अप गर्दैनन्, एङ्गुलर, अक्षीय, र रेडियल मिसालाइमेन्टहरू ह्यान्डल गर्दै कुनै बीट नछोडिकन। Raydafon को SWC कार्डन शाफ्ट सार्वभौमिक संयुक्त युग्मन लिनुहोस्, उदाहरणका लागि - यो यस सिद्धान्तको उत्कृष्ट प्रदर्शन हो। यसले प्रत्येक शाफ्टमा जुवाहरू जडान गर्न क्रस-आकारको पिभोट (हामी प्रायः यसलाई स्पाइडर भन्छौं) प्रयोग गर्दछ, त्यसैले व्यस्त औद्योगिक सेटअपहरूमा पनि पावर स्थानान्तरण सजिलै हुन्छ।
यसले कसरी काम गर्छ भन्ने कुराको हृदय भनेको क्रस पिभोट हो: यसले जुवाहरूलाई स्वतन्त्र रूपमा घुमाउन दिन्छ, जसले टर्क डेलिभरीलाई निरन्तरता दिँदा 25 डिग्रीसम्म शाफ्ट झुकाउन बनाउँछ। यो उच्च-टोर्क सार्वभौमिक संयुक्त युग्मनले पनि रोटेशनल गति परिवर्तनहरूलाई न्यूनतममा राख्छ - विशेष गरी जब यो डबल संयुक्त डिजाइन हो - त्यसैले यो रोलिङ मिल सञ्चालनका लागि भरपर्दो भारी शुल्क विश्वव्यापी संयुक्त युग्मन आवश्यक पर्ने कामहरूको लागि उपयुक्त छ। र Raydafon को SWC शृङ्खलासँग, हामीले यस मेकानिजमलाई अझ राम्रो बनाउनको लागि एक एकीकृत फोर्क हेड डिजाइन थप्यौं: यसले बोल्टहरू ढिलो हुने जस्ता समस्याहरूबाट छुटकारा पाउँछ, 30%-50% ले संरचनात्मक बल बढाउँछ, र यसलाई उच्च-तनावयुक्त ठाउँहरूमा लामो समयसम्म टिक्न मद्दत गर्छ।
यो सिद्धान्तले ठूलो भार वहन क्षमतालाई पनि समर्थन गर्दछ। युग्मनले ०.१५ देखि १००० kN·m सम्मको नाममात्र टर्क ह्यान्डल गर्छ, φ58 र φ620 बीचको जिरेसन व्यासको साथ-त्यसैले लिफ्टिङ र सामग्री ह्यान्डलिङ उपकरणहरूमा टिकाउ SWC सार्वभौमिक संयुक्त शाफ्ट युग्मन कठिन कार्यहरूको लागि यस्तो ठोस छनौट हो। साथै, औद्योगिक सार्वभौमिक संयुक्त युग्मनले 98.6% प्रसारण दक्षतालाई हिट गर्दछ, भारी मेसिनरी विश्वव्यापी संयुक्त युग्मन प्रणालीहरूमा ऊर्जा प्रयोगमा कटौती गर्दछ।
थप कुरा के हो भने, Raydafon को SWC हेभी-ड्युटी युनिभर्सल संयुक्त युग्मनमा सुविधाहरू छन् जसले सहज सञ्चालनमा सिद्धान्तको फोकससँग मेल खान्छ: यसले प्रसारणलाई स्थिर राख्छ, र आवाज 30-40 dB(A) को बीचमा रहन्छ। यसले यसलाई ठूलो पावर ट्रान्समिशनको लागि एक कुशल विश्वव्यापी संयुक्त युग्मन बनाउँछ, र उच्च-शक्ति औद्योगिक सेटअपहरूको लागि उच्च ऊर्जा-बचत विश्वव्यापी संयुक्त युग्मन समाधान। समग्रमा, यो कम-शोर सार्वभौमिक संयुक्त युग्मनले चीजहरूलाई शान्त राख्छ, त्यसैले यसले विश्वसनीयता त्याग नगरिकन-शोर चिन्ताको विषय भएका ठाउँहरूमा राम्रो काम गर्दछ।
⭐⭐⭐⭐⭐ ली जुन, वरिष्ठ इन्जिनियर, Jiangsu पावर उपकरण कं, लिमिटेड।
हामीले Raydafon को SWC-BF Standard Flex Flange Type Universal Coupling केही महिनादेखि प्रयोग गर्दै आएका छौं, र यसले उत्कृष्ट प्रदर्शन गरिरहेको छ। यस युग्मनको लचिलोपन भनेको सबैभन्दा महत्त्वपूर्ण कुरा हो—यसले हाम्रो मेसिनरीलाई अझ भरपर्दो बनाएको छ, विशेष गरी जब यो शाफ्ट मिसाइलमेन्टको लागि क्षतिपूर्तिको कुरा आउँछ। यसलाई स्थापना गर्नु एक सहज प्रक्रिया थियो, कुनै कठिन कदमहरू थिएनन्, र वेल्डको गुणस्तर पनि ठोस देखिन्छ—निश्चित रूपमा हामीलाई मानसिक शान्ति दिन्छ कि यो टिक्नेछ। मूल्यको लागि, यो वास्तवमै राम्रो मूल्य हो, र यदि तपाईं भारी मेसिनरी उद्योगमा हुनुहुन्छ भने, म यो लचिलो फ्ल्यान्ज विश्वव्यापी युग्मनलाई पूर्ण रूपमा सिफारिस गर्दछु।
⭐⭐⭐⭐⭐ जोन डेभिस, मेकानिकल इन्जिनियर, म्यानचेस्टर इन्जिनियरिङ लिमिटेड, युके
हाम्रो म्यानचेस्टर सुविधामा, हामीले Raydafon को SWC-BF Standard Flex Flange Type Universal Coupling को लागि पुरानो युगल स्वैप गर्यौं, र फरक तुरुन्तै स्पष्ट थियो। यो सार्वभौमिक युग्मनले शक्तिलाई सहज र कुशलतापूर्वक चलाउँछ, हामीले यसलाई उच्च-तनावको अवस्थामा चलाउँदा पनि-यसले कहिल्यै छोड्दैन। यसको कडा डिजाइनको साथ जोडिएको लचिलोपनले हाम्रो मेसिनरीलाई कुनै अवरोध बिना चलिरहन्छ। साथै, Raydafon ले हामीलाई छिटो डेलिभरी प्रदान गर्यो, र तिनीहरूको ग्राहक सेवा उच्च स्तरको थियो — यसले सम्पूर्ण खरिद अनुभवलाई अझ राम्रो बनायो। यो भरपर्दो फ्लेक्स फ्ल्यान्ज विश्वव्यापी युग्मनलाई अत्यधिक सिफारिस गर्नुहोस्!
⭐⭐⭐⭐⭐ Matteo Rossi, सञ्चालन प्रबन्धक, मिलान औद्योगिक समाधान, इटाली
हामी एक सार्वभौमिक युग्मनको खोजीमा थियौं जसले मिसालाइमेन्टहरू राम्रोसँग ह्यान्डल गर्न सक्छ, र यसरी हामीले Raydafon को SWC-BF मानक फ्लेक्स फ्ल्यान्ज प्रकार युनिभर्सल कपलिंग फेला पार्यौं। हामीले यसलाई केहि हप्ताको लागि प्रयोग गर्दै आएका छौं, र म निश्चित रूपमा भन्न सक्छु कि यसले हाम्रा सबै बाकसहरू जाँच गर्दछ। यसलाई स्थापना गर्न सजिलो थियो, कुनै अतिरिक्त झन्झट छैन, र हामीले यसलाई चुनौतीपूर्ण अवस्थाहरू मार्फत राख्दा पनि, यो टिक्छ। गुणस्तर मूल्यको लागि उत्कृष्ट छ - निश्चित रूपमा हाम्रो मेसिनरीको लागि एक स्मार्ट लगानी। Raydafon ले हामीलाई दिएको उत्पादन र सेवा दुवैसँग म साँच्चै खुसी छु।
Raydafon केवल एक निर्माता मात्र होइन - हामी शीर्ष-स्तरीय प्रसारण कम्पोनेन्टहरू र औद्योगिक मेसिनरी समाधानहरूको एक प्रमुख आपूर्तिकर्ता हौं, र हामीले SWC कार्डन शाफ्ट युनिभर्सल संयुक्त युग्मन जस्ता उत्पादनहरूमा गहिरो विशेषज्ञता पाएका छौं। हामीले हाम्रो मूलमा नवीनता र गुणस्तरको साथ सुरु गर्यौं, र समयसँगै, हामीले गियरबक्सहरू, ड्राइभ शाफ्टहरू, हाइड्रोलिक सिलिन्डरहरू, पुलीहरू, र उन्नत मेसिन उपकरणहरू समावेश गर्न हाम्रो लाइनअप बढाएका छौं - सबै कृषि र भारी शुल्क उद्योगहरूको कठिन मागहरू पूरा गर्न निर्मित। हाम्रो उच्च-टोर्क युनिभर्सल संयुक्त युग्मन समाधानहरू सावधानीपूर्वक बनाइएका छन्, निश्चित रूपमा टर्क स्थानान्तरणहरू सहज रूपमा र मिसालाइनमेन्टहरू सही रूपमा ह्यान्डल गरिएको छ — तिनीहरू ग्राहकहरूका लागि पूर्ण-अवश्यक छन् जसलाई रोलिङ मिल सञ्चालनका लागि भरपर्दो भारी शुल्क विश्वव्यापी संयुक्त युग्मन चाहिन्छ।
हाम्रा उत्पादन सुविधाहरू अत्याधुनिक छन्: हामीले CNC कार्यशालाहरू, ग्राइन्डिङ र तातो उपचार गियर, र 3D मापन प्रणालीहरू पाएका छौं। हामी ISO9001/TS16949 जस्ता कडा मापदण्डहरूमा अडिग रहन्छौं, त्यसैले हामीले बनाउने हरेक औद्योगिक सार्वभौमिक संयुक्त युग्मन सटीक र अन्तिममा निर्मित हुन्छ। लिफ्टिङ र सामग्री ह्यान्डलिंग उपकरणहरूमा हाम्रो टिकाऊ SWC सार्वभौमिक संयुक्त शाफ्ट युग्मन लिनुहोस्, उदाहरणका लागि - यो गम्भीर लोड-बेयरिङ पावर चाहिने ठाउँहरूको लागि अनुकूलित छ। र हाम्रो SWC भारी शुल्क विश्वव्यापी संयुक्त युग्मन? यसले भारी मेसिनरी सार्वभौमिक संयुक्त युग्मन प्रणालीहरूमा समस्याहरू समाधान गर्दछ, जहाँ चरम परिस्थितिहरूमा स्थिर रहन गैर-वार्तालाप योग्य छैन।
हामी विश्वव्यापी पहुँचमा पनि ठूलो छौं—हाम्रा उत्पादनहरूको 80% अमेरिका, जर्मनी, जापान, इटाली, मलेसिया, अष्ट्रेलिया र मध्य पूर्व जस्ता बजारहरूमा निर्यात गरिन्छ। हामीले चीन, दक्षिण कोरिया, बेलायत, सिङ्गापुर, अमेरिका र स्पेनमा बलियो नेटवर्क पाएका छौं, जसले हामीलाई ठूला पावर ट्रान्समिसन विकल्पहरूको लागि अनुकूलन कुशल विश्वव्यापी संयुक्त युग्मन सिर्जना गर्न दिन्छ। यी विशेष आवश्यकताहरू अनुरूप बनाइएका छन्, जस्तै हाम्रो ऊर्जा-बचत विश्वव्यापी संयुक्त युग्मन समाधानहरू जसले 98.6% प्रसारण दक्षतामा हिट गर्दछ — उच्च-शक्ति सेटअपहरूमा ऊर्जाको प्रयोगलाई घटाउँछ।
स्थिरता र ग्राहक-केन्द्रित नवीनता हाम्रो लागि महत्त्वपूर्ण छ। यसैले हामी कम-ध्वनि विश्वव्यापी संयुक्त युग्मन विकल्पहरू प्रस्ताव गर्दछौं जसले शोर 30-40 dB(A) को बीचमा राख्छ — शोर चिन्ताको विषय हुने औद्योगिक स्थानहरूको लागि उपयुक्त। र हामी पूर्ण बिक्री पछि समर्थन संग सबै ब्याक अप गर्छौं। सही काम गर्ने हाम्रो प्रतिबद्धताले Raydafon लाई प्रसारण उद्योगमा भरपर्दो साझेदार बनाउँछ, जसले पेशेवरहरूलाई तिनीहरूको उपकरणबाट उत्कृष्ट प्रदर्शन र विश्वसनीयता प्राप्त गर्न मद्दत गर्छ।
ठेगाना
Luotuo औद्योगिक क्षेत्र, Zhenhai जिल्ला, Ningbo शहर, चीन
टेलिफोन
इ-मेल


+86-574-87168065


Luotuo औद्योगिक क्षेत्र, Zhenhai जिल्ला, Ningbo शहर, चीन
प्रतिलिपि अधिकार © Raydafon टेक्नोलोजी समूह कं, सीमित सबै अधिकार सुरक्षित।
Links | Sitemap | RSS | XML | Privacy Policy |
