QR कोड
हाम्रो बारेमा
उत्पादनहरू
हामीलाई सम्पर्क गर्नुहोस


फ्याक्स
+86-574-87168065

इ-मेल

ठेगाना
Luotuo औद्योगिक क्षेत्र, Zhenhai जिल्ला, Ningbo शहर, चीन
पावर "रिले रेस": फिड मिक्सर गियरबक्स पावर ट्रान्समिशनको लागि "रिले कप्तान" जस्तै हो। मोटर सुरु भएपछि, शक्ति पहिले गियरबक्सको इनपुट शाफ्टमा पठाइन्छ, र त्यसपछि "गति परिवर्तन" बक्समा विभिन्न आकारका गियरहरूको समूहको मेसिङ मार्फत प्राप्त हुन्छ। उदाहरण को लागी, यदि इनपुट शाफ्ट प्रति मिनेट 1000 पटक घुम्छ भने, आउटपुट शाफ्ट गियर समूह प्रसारण पछि 100 पटक मात्र घुमाउन सक्छ, तर टर्क धेरै बढाइएको छ। यो बलियो शक्ति त्यसपछि मिक्सिङ शाफ्टमा प्रसारित हुन्छ, जसले मिक्सिङ ब्लेडले फिडलाई छिट्टै हलचल गर्न अनुमति दिन्छ, सजिलैसँग उच्च-फाइबर चारा जस्ता "कडा सामानहरू" सँग व्यवहार गर्दछ।
सटीक मेसिङ, कम हानि: गियरबक्समा गियरहरू अनियमित रूपमा मेल खाँदैनन्। Raydafon द्वारा उत्पादित गियरहरूमा दाँतको आकार हुन्छ जुन सटीक रूपमा गणना र प्रशोधन गरिएको छ, र मेस गर्दा कडा रूपमा फिट हुन्छ, पज्जलका दुई टुक्राहरू जस्तै पूर्ण रूपमा फिट हुन्छ। यसरी, पावर ट्रान्समिशनको समयमा धेरै कम घर्षण हुन्छ, कम ऊर्जा हानि हुन्छ, र धेरैजसो पावर मिक्स गर्न प्रयोग गर्न सकिन्छ। यो फिड मिक्सरमा "ऊर्जा बचत कोर" स्थापना गर्नु जस्तै हो, जसले ऊर्जा बर्बाद नगरी कामलाई थप ऊर्जावान बनाउँछ।
आवश्यकताहरू पूरा गर्न लचिलो समायोजन: विभिन्न फिडहरू र विभिन्न मिश्रण मात्राहरू फरक गति चाहिन्छ। फिड मिक्सर गियरबक्सको सुन्दरता यो हो कि यसलाई लचिलो रूपमा समायोजित गर्न सकिन्छ। गियर सेटहरूको संयोजन परिवर्तन गरेर, विभिन्न आवश्यकताहरू पूरा गर्न विभिन्न गति अनुपातहरू प्राप्त गर्न सकिन्छ। यदि तपाईं साइलेज मिलाउन र चाँडै ध्यान केन्द्रित गर्न चाहनुहुन्छ भने, गति बढाउनुहोस्; यदि तपाईं कमजोर कच्चा माल ह्यान्डल गर्न चाहनुहुन्छ भने, गति कम गर्नुहोस् र बिस्तारै मिलाउनुहोस्, र गियरबक्सले यो सबै गर्न सक्छ।
स्थिर समर्थन र स्थायित्व: गियरबक्स शरीर सम्पूर्ण प्रसारण प्रणाली को "संरक्षक" को बराबर छ। उच्च-शक्तिको कास्ट आयरन सामग्री, बलियो र झटका-प्रतिरोधी, स्थिर रूपमा आन्तरिक गियरहरू र बियरिङहरूलाई समर्थन गर्न सक्छ। आन्तरिक बियरिङहरू विशेष रूपमा चिकनी घुमाउन र कम पहिरनको लागि लुब्रिकेटेड छन्। फिड मिक्सिङ गर्दा कम्पनहरू उत्पन्न भए तापनि, गियरबक्सले गियरहरूको स्थिर संलग्नता सुनिश्चित गर्न सक्छ, निरन्तर स्थिर शक्ति उत्पादन गर्छ, र समग्र सेवा जीवन विस्तार गर्न सक्छ।
Raydafon को उत्पादन उत्पादन प्रक्रिया कडाईका साथ परीक्षण गरिएको छ र वास्तविक स्थापना पछि पूर्ण रूपमा सञ्चालन गर्न सकिन्छ। हाम्रा उत्पादनहरू छनौट गर्नु भनेको तपाईंले मानसिक शान्ति रोज्नुभएको छ।
| अनुपात | इनपुट r.p.m |
इनपुट पावर | आउटपुट | मोडेल | टिप्पणीहरू | |
| किलोवाट | HP | Nm | ||||
| १६.१:१ | 540 | 44.7 | 60 | 11600 | G1-0314 |
|
| १९.४:१ | 540 | 26.1 | 35 | 8600 | G1-0514 |
|
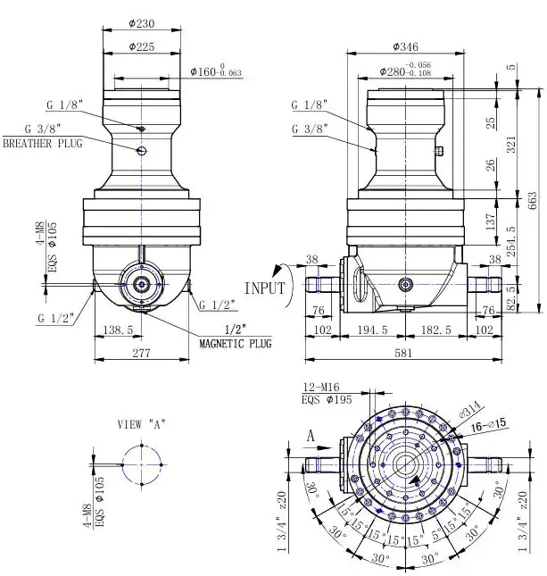
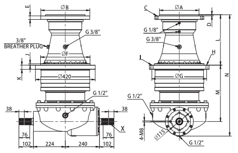
| नम्बर | A | B | C | D | E | F | G | H | 1 | J | K | L | M | N | ||||||||||||||||||
| 1 | ⌀200 h7 | ⌀ २७८ | 12-M16 EQS⌀245 | 15 | 25 | ⌀280 f7 | ⌀ ३८० | 12-M16 |
|
26 | 30 | 353 | 300 | 785 | ||||||||||||||||||
| 2 | ⌀200 h7 | ⌀ २७८ | 12-M16 EQS⌀245 | 15 | 25 | ⌀280 f7 | ⌀ ३८० | 12-M16 |
|
26 | 30 | 353 | 402.5 | 857.5 | ||||||||||||||||||
| 3 | ⌀278 h8 | ⌀ ३४५ | 15-M16 EQS⌀314 | 8 | 25 | ⌀348 h8 | ⌀ ३८५ | १२-⌀१७ | 2-M18 | 10.5 | 29 | 351 | 321.5 | 774.5 | ||||||||||||||||||
| 4 | ⌀278 h8 | ⌀ ३४५ | 15-M16 EQS⌀314 | 8 | 25 | ⌀348 h8 | ⌀ ३८५ | १२-⌀१७ | 2-M18 | 10.5 | 29 | 351 | 394 | 847 | ||||||||||||||||||
| 5 | ⌀154.8 h8 | ⌀२५० | 12-M20*1.5 EQS⌀205 | 12 | 39 | ⌀348 h8 | ⌀ ३८५ | १२-⌀१७ | 2-M18 | 10.5 | 29 | 354.5 | 321.5 | 778 | ||||||||||||||||||
| अनुपात | nput r.p.m |
इनपुट पावर | आउटपुट Nm |
इनपुट शाफ्ट | टिप्पणीहरू | |||||||||||||||||||||||||||
| kW | HP | |||||||||||||||||||||||||||||||
| १३.४:१ | 540 | 85.8 | 115 | 17984 | X |
|
||||||||||||||||||||||||||
| १४.६:१ | 540 | 70.8 | 95 | 16187 | X |
|
||||||||||||||||||||||||||
| १६.१:१ | 540 | 63.4 | 85 | 15971 | X |
|
||||||||||||||||||||||||||
| १८.२:१ | 540 | 44.7 | 60 | 12744 | X |
|
||||||||||||||||||||||||||
| २१.१:१ | 540 | 37.3 | 50 | 12312 | X |
|
||||||||||||||||||||||||||
| २५.९:१ | 1000 | 82 | 110 | 17954 | X |
|
||||||||||||||||||||||||||
| २८.३:१ | 1000 | 67.1 | 90 | 16051 | X |
|
||||||||||||||||||||||||||
स्टिल "शरीर" सुपर टिकाऊ छ: यो गियरबक्स बाक्लो उच्च-शक्ति कास्ट फलामबाट बनेको छ, र सम्पूर्ण बक्स ट्यांक खोल जस्तै बलियो छ। साइलेज मिलाउँदा आर्द्र वातावरण होस् वा पेलेटाइज्ड फिड ह्यान्डल गर्दा हुने हिंसात्मक कम्पन, यसले यसलाई स्थिर रूपमा सामना गर्न सक्छ। आन्तरिक गियरहरू कार्बराइज्ड र निभाइएका छन्, र दाँतको सतहको कठोरता HRC58 जत्तिकै उच्च छ। पहिरन प्रतिरोध सामान्य गियर भन्दा 3 गुणा बलियो छ। यो लगातार पाँच वा छ वर्षको लागि धुलो र भारी-भारित फार्महरूमा प्रयोग गरिएको छ, र प्रदर्शन अझै पनि "अनलाइन" छ, र मर्मतको संख्या धेरै कम छ।
पावर ट्रान्समिशन "शून्य अपशिष्ट": डिजाइन सरलताले भरिएको छ! गियर मेसिङ सटीकता कपाल स्तरमा पुग्छ, र पावर प्रसारण दक्षता 95% भन्दा बढी छ। अन्य गियरबक्सहरूमा मिक्स गर्ने क्रममा धेरै शक्ति "स्लिपिङ" हुन सक्छ, तर TMR मिक्सर EP RMG को लागि हाम्रो फिड मिक्सर गियरबक्सले मोटरको सबै शक्ति ब्लेडमा प्रयोग गर्न सक्छ। 5 टन फिडको समान मिश्रणको लागि, हाम्रो गियरबक्स प्रयोग गरेर 15 मिनेट छिटो हुन सक्छ र 20% बिजुली बिलहरू बचत गर्न सक्छ, किसानहरूको वास्तविक पैसा बचत हुन्छ।
"सार्वभौमिक अनुकूलनता" सुपर चिन्ता-मुक्त छ: यो सानो फार्ममा साधारण मिक्सर होस् वा ठूलो फिड कारखानामा एक विशाल उपकरण हो, यो गियरबक्स निर्बाध रूपमा जडान गर्न सकिन्छ। गति अनुपात 2: 1 देखि 15: 1 सम्म स्वतन्त्र रूपमा समायोजित गर्न सकिन्छ, र रौगेज, कन्सेन्ट्रेट फिड, र मिश्रित फिडलाई तपाईले चाहानु भए पनि मिलाउन सकिन्छ। स्थापना पनि सजिलो छ, र उपकरणमा ठूलो परिवर्तन गर्न आवश्यक छैन। साधारण कामदारहरूले निर्देशन अनुसार आधा घण्टामा यो गर्न सक्छन्, जुन विशेष गरी हतारमा रहेका किसानहरूको लागि उपयुक्त छ। "बुद्धिमान संरक्षण" अति विचारशील छ: गियरबक्समा निर्मित ओभरलोड सुरक्षा उपकरण छ। एकपटक मिक्सिङ लोड धेरै ठूलो भएपछि, यसले स्वचालित रूपमा गियरहरूलाई क्षतिबाट बच्न "रोक्छ" जसले मेसिनलाई मात्र सुरक्षित गर्दैन तर सुरक्षा दुर्घटनाहरू पनि रोक्छ। यसबाहेक, संरचनात्मक डिजाइन उचित छ। तपाईले बेरिङ परिवर्तन गर्न सक्नुहुन्छ वा बक्स खोलेर गियर मर्मत गर्न सक्नुहुन्छ। यो "रूसी पुतली" भत्काउन जत्तिकै अप्ठ्यारो छैन। डाउनटाइम र मर्मतसम्भार समय धेरै छोटो छ, यो सुनिश्चित गर्दै कि खेती उत्पादन रोकिएको छैन।
एक विदेशी ग्राहकको रूपमा, म वास्तवमै Raydafon लाई धन्यवाद भन्न चाहन्छु! तपाईंको फिड मिक्सर गियरबक्स प्रयोग गर्न साँच्चै सजिलो छ। यो स्थापना भएदेखि, उपकरण धेरै सहज रूपमा चलिरहेको छ, र काम गर्ने दक्षता पहिले भन्दा धेरै उच्च छ। गियरबक्स ठोस र टिकाऊ सामग्रीबाट बनेको छ, र यसलाई स्थापना र मर्मत गर्न सजिलो छ। यसले हाम्रा अघिल्ला उपकरणहरूमा भएका पुराना समस्याहरू समाधान गरेको छ। मैले विशेष गरी बिक्री पछिको सेवाको प्रशंसा गर्नुपर्छ। हामीले यसलाई प्रयोग गर्दा केही साना प्रश्नहरूको सामना गर्यौं, र तपाईंले छिट्टै पत्ता लगाउनुभयो। यो धेरै भरपर्दो छ। यो सहयोग अनुभव साँच्चै राम्रो छ। मैले मेरा साथीहरूलाई तपाईंको उत्पादनहरू सिफारिस गरेको छु, र म भविष्यमा निरन्तर सहयोगको लागि तत्पर छु! -----जेम्स कार्टर
हे, म डेभिड जोन्सन हुँ, Raydafon को ग्राहक। मैले तपाईंको फिड मिक्सर गियरबक्सहरू पहिले किनेको थिएँ, र यो प्रयोग गर्न साँच्चै राम्रो छ! यो गियरबक्स स्थापना गरेपछि, हाम्रो फिड मिक्सर पहिले भन्दा धेरै सहज चल्छ, र दक्षता सुधार गरिएको छ। म उपकरण जामको बारेमा चिन्ता गर्थे, तर अब मलाई यसको बारेमा चिन्ता लिनु पर्दैन। के कुराले मलाई सबैभन्दा सार्थक महसुस गराउँछ कि यो धेरै टिकाउ छ, सामग्री ठोस लाग्छ, र दैनिक आधारमा यसलाई कायम राख्न गाह्रो छैन। केही स्क्रूहरू कस्नुहोस् र तेल स्तर जाँच गर्नुहोस्, अघिल्लो उपकरणहरूको विपरीत जुन प्रत्येक केही दिनमा फ्याँक्नु पर्छ। पछिल्लो पटक यहाँ सञ्चालन गर्दा मसँग केही साना प्रश्नहरू थिए, मैले तपाईंको बिक्री पछिको सेवामा इमेल पठाएँ, र सोही दिन जवाफ प्राप्त गरें। इन्जिनियरले मलाई यसलाई कसरी समायोजन गर्ने भनेर सिकाउन योजनाबद्ध रेखाचित्र पनि बनाए। यो सेवा महान छ! इमानदारीपूर्वक भन्नुपर्दा, म सँगै डिनर गर्दा प्रायः मेरा सहकर्मीहरूसँग तपाईंका उत्पादनहरूको बारेमा कुरा गर्छु। राम्रा कुराहरू धेरै मानिसहरूलाई थाहा हुनुपर्छ। म भविष्यमा तपाईसँग सहयोग गर्न जारी राख्ने आशा गर्दछु, र म चाहन्छु कि तपाईको व्यवसाय अधिक र अधिक लोकप्रिय बनोस्!
मेरो नाम माइकल ब्राउन हो। मैले पहिलो पटक तपाईंको फिड मिक्सर गियरबक्सहरू किन्दा म अलिकति हिचकिचाएको थिएँ, आखिर, मलाई पहिले अन्य उत्पादनहरूले धोका दिएको थियो, तर लगभग आधा वर्षसम्म यसलाई प्रयोग गरेपछि, म यसलाई साँच्चिकै थम्ब्स अप दिन्छु! यस गियरबक्सको आवाज पहिलेको भन्दा धेरै सानो छ। पहिले, यो खोल्दा यो गर्जन जस्तै थियो, तर अब मलाई कार्यशालामा कुरा गर्दा चिच्याउनुपर्ने आवश्यकता छैन। सबैभन्दा अचम्मको कुरा भनेको दक्षता हो। पहिले एक ब्याच फिड मिलाउन ४० मिनेट लाग्ने भए पनि अहिले २५ मिनेटमा गर्न सकिने र कन्भेयर बेल्टले पनि यसको गति बढाएको छ । गत हप्ता, गियरबक्सको सूचक बत्ती दुई पटक फ्ल्यास भयो। यदि त्यहाँ कुनै समस्या थियो भने मैले सोचें, त्यसैले मैले तपाईंको बिक्री पछिको सेवालाई कल गरें। फोनको जवाफ दिने केटी धेरै धैर्य थिइन्। उनले मलाई केही तस्बिरहरू खिच्न दिए र मलाई घटनास्थलमा सेन्सरबाट धुलो सफा गर्न निर्देशन दिइन्। यो 10 मिनेट भन्दा बढी लागेन। गियरबक्स ठोस सामग्रीबाट बनेको छ। बाहिरी खोल भारी महसुस हुन्छ। पछिल्लो पटक, फोर्कलिफ्टले गल्तिले यसलाई रग्यो, सानो छाप छोड्यो, तर भित्रका भागहरू प्रभावित भएनन्। जब म छेउको किसानसँग पिउँदै थिएँ, म तपाईंको उत्पादनहरूको बारेमा कुरा गरिरहेँ। उसले अर्को महिना अर्डर गर्ने योजना पनि बनायो! म भविष्यमा तपाईंको नयाँ सामानहरू प्रयास गर्न तत्पर छु, र म तपाईंलाई बलियो र बलियो बन्न चाहन्छु!
ठेगाना
Luotuo औद्योगिक क्षेत्र, Zhenhai जिल्ला, Ningbo शहर, चीन
टेलिफोन
इ-मेल


+86-574-87168065


Luotuo औद्योगिक क्षेत्र, Zhenhai जिल्ला, Ningbo शहर, चीन
प्रतिलिपि अधिकार © Raydafon टेक्नोलोजी समूह कं, सीमित सबै अधिकार सुरक्षित।
Links | Sitemap | RSS | XML | Privacy Policy |
